0
MAX6602
  • MAX6602

MAX6602

PRODUCTION

Five-Channel Precision Temperature Monitor Highly Accurate, Space-Saving, Multichannel Temperature Sensor

Analog Devices MAX6602 Product Info

10 February 2026 8

Features

  • Four Thermal-Diode Inputs
  • Local Temperature Sensor
  • 1°C Remote Temperature Accuracy (+60°C to +100°C)
  • Temperature Monitoring Begins at POR for Fail-Safe System Protection
  • Active-Low ALERT and Active-Low OVERT Outputs for Interrupts, Throttling, and Shutdown
  • Active-Low STBY Input for Hardware Standby Mode
  • Small, 16-Pin TSSOP Package
  • 2-Wire SMBus Interface

Part details & applications

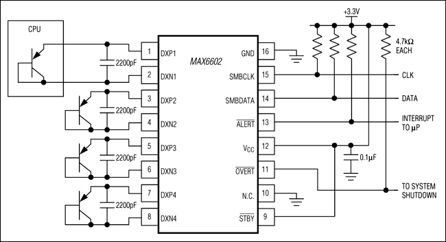
The MAX6602 precision multichannel temperature sensor monitors its own temperature and the temperatures of up to four external diode-connected transistors. All temperature channels have programmable alert thresholds. Channels 1 and 4 also have programmable overtemperature thresholds. When the measured temperature of a channel exceeds the respective threshold, a status bit is set in one of the status registers. Two open-drain outputs, active-low OVERT and active-low ALERT, assert corresponding to these bits in the status register.

The 2-wire serial interface supports the standard system management bus (SMBus™) protocols: write byte, read byte, send byte, and receive byte for reading the temperature data and programming the alarm thresholds.

The MAX6602 is specified for a -40°C to +125°C operating temperature range and is available in a 16-pin TSSOP package.

Applications

  • Desktop Computers
  • Notebook Computers
  • Servers
  • Workstations

Subscribe to Welllinkchips !
Your Name
* Email
Submit a request