0
LTC3601
  • LTC3601
  • LTC3601
  • LTC3601
  • LTC3601

LTC3601

PRODUCTION

1.5A, 15V Monolithic Synchronous Step-Down Regulator

Analog Devices LTC3601 Product Info

10 February 2026 4

Features

  • 4V to 15V Operating Input Voltage Range
  • 1.5A Output Current
  • Up to 96% Efficiency
  • Very Low Duty Cycle Operation: 5% at 2.25MHz
  • Adjustable Switching Frequency: 800kHz to 4MHz
  • External Frequency Synchronization
  • Current Mode Operation for Excellent Line and Load Transient Response
  • User Selectable Burst Mode® (No Load IQ = 300μA) or Forced Continuous Operation
  • 0.6V Reference Allows Low Output Voltages
  • Short-Circuit Protected
  • Output Voltage Tracking Capability
  • Programmable Soft-Start
  • Power Good Status Output
  • Available in Small, Thermally Enhanced, 16-Pin QFN (3mm × 3mm) and MSOP Packages

Part details & applications

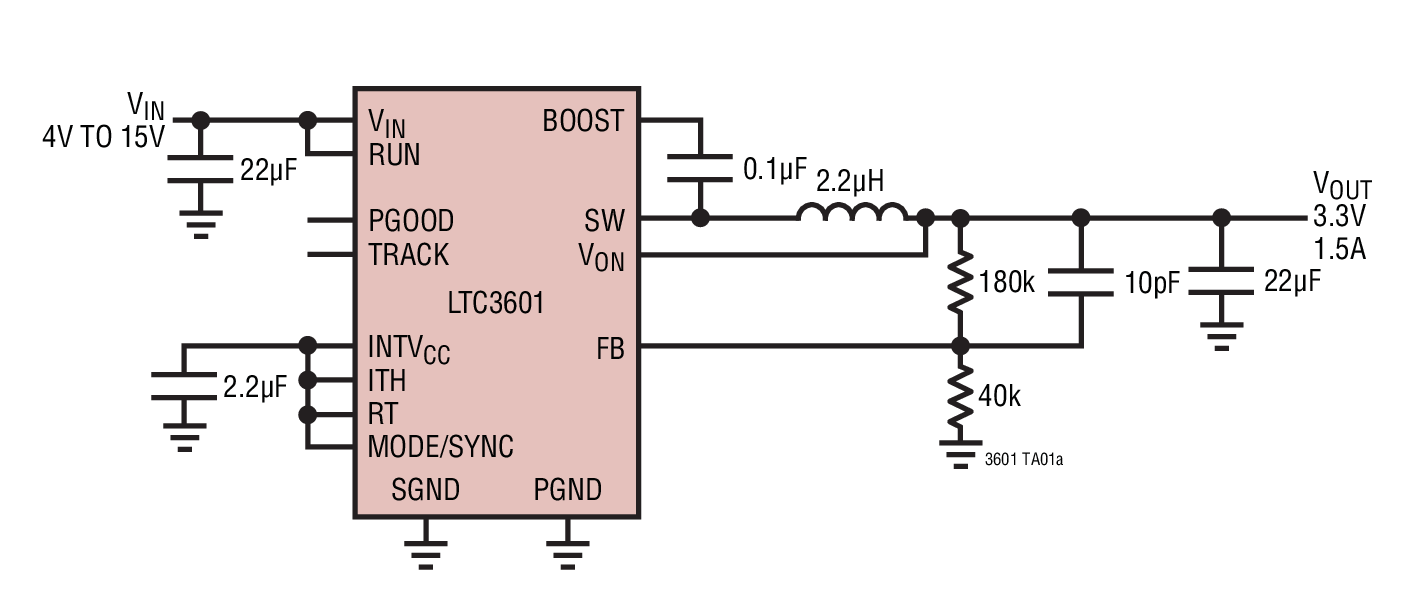
The LTC3601 is a high efficiency, monolithic synchronous buck regulator using a phase-lockable controlled on-time, current mode architecture capable of supplying up to 1.5A of output current. The operating supply voltage range is from 4V to 15V, making it suitable for a wide range of power supply applications.

The operating frequency is programmable from 800kHz to 4MHz with an external resistor enabling the use of small surface mount inductors. For switching noise sensitive applications, the LTC3601 can be externally synchronized over the same frequency range. An internal phase-locked loop aligns the on-time of the top power MOSFET to the internal or external clock. This unique constant frequency/ controlled on-time architecture is ideal for high step-down ratio applications that demand high switching frequencies and fast transient response.

The LTC3601 offers two operational modes: Burst Mode operation and forced continuous mode to allow the user to optimize output voltage ripple, noise, and light load efficiency for a given application. Maximum light load efficiency is achieved with the selection of Burst Mode operation while forced continuous mode provides minimum output ripple and constant frequency operation.

Applications

  • Distributed Power Systems
  • Lithium-Ion Battery-Powered Instruments
  • Point-of-Load Power Supply

Subscribe to Welllinkchips !
Your Name
* Email
Submit a request