0
LTC3569
  • LTC3569
  • LTC3569
  • LTC3569
  • LTC3569
  • LTC3569

LTC3569

PRODUCTION

Triple Buck Regulator with 1.2A and Two 600mA Outputs and Individual Programmable References

Analog Devices LTC3569 Product Info

10 February 2026 11

Features

  • Three Independent Current Mode Buck DC/DC Regulators (1.2A and 2 × 600mA)
  • Single Pin Programmable VFB Servo Voltages from 800mV Down to 425mV (in 25mV Steps)
  • Pull VFB High to Make Each 600mA Buck a Slave for Higher Current Operation
  • Pulse-Skipping or Burst Mode® Operation
  • Programmable Switching Frequency (1MHz to 3MHz) or Fixed 2.25MHz
  • Synchronizable (1.2MHz to 3MHz)
  • VIN Range 2.5V to 5.5V
  • All Regulators Internally Compensated
  • PGOOD Output Flag
  • Quiescent Current <100μA (All Regulators in Burst Mode Operation)
  • Zero Shutdown Current
  • Overtemperature and Short-Circuit Protection
  • Tiny 3mm × 3mm, 3mm × 4mm 20-Lead QFN and Thermally Enhanced TSSOP FE-16 Packages

Part details & applications

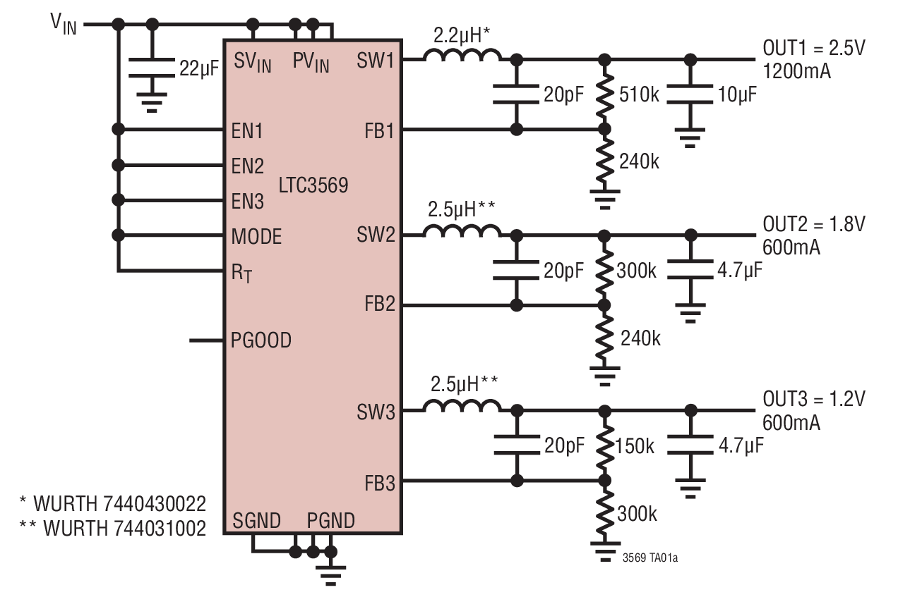
The LTC3569 contains three monolithic, synchronous step-down DC/DC converters. Intended for medium power applications, it operates over a 2.5V to 5.5V input voltage range. The operating frequency is adjustable from 1MHz to 3MHz, allowing the use of tiny, low cost capacitors and inductors. The three output voltages are independently programmable by toggling the EN pins up to 15 times, lowering the 800mV FB references by 25mV per cycle. The first buck regulator sources load currents up to 1200mA. The other two buck regulators each provide 600mA.

The two 600mA buck regulators can also be configured to operate as slave power stages, running in parallel with another internal buck regulator to supply higher load currents. When operating as parallel, slave output stages, discrete external components are shared and available output currents sum together.

Applications

  • Portable Applications with Multiple Supply Rails
  • General Purpose Step-Down DC/DC
  • Dynamic Voltage Scaling Applications

Subscribe to Welllinkchips !
Your Name
* Email
Submit a request