0
TMC5241
  • TMC5241
  • TMC5241
  • TMC5241

TMC5241

RECOMMENDED FOR NEW DESIGNS

65V 2ARMS Smart Integrated Stepper Driver and Controller

Analog Devices TMC5241 Product Info

10 February 2026 7

Features

  • Voltage Range: 4.5V to 65V DC
  • Low RON (HS + LS): 0.31Ω Typical (TA = 25°C)
  • Current Ratings per H-Bridge (Typical at 25°C):
    • IRMS = 2ARMS (2.8A Sine Peak) at VS = 24V
    • IRMS = 1.7ARMS (2.4A Sine Peak) at VS = 48V
  • Fully Integrated Lossless Current Sensing
  • Eight-Point Motion Controller for Minimum Jerk
  • SPI and Single Wire UART
  • Encoder Interface and 2x Reference Switch Input
  • Highest Resolution of 256 Microsteps per Full Step
  • Flexible Wave Table and Phase Shift to Match Motor
  • StealthChop2 Silent Motor Operation
  • SpreadCycle Highly Dynamic Motor Control Chopper
  • Jerk-Free Combination of StealthChop2 and SpreadCycle
  • StallGuard2 and StallGuard4 Sensorless Motor LoadDetection
  • CoolStep Current Control for Energy Savings up to75%
  • Passive Braking and Freewheeling Mode
  • Motor Phase Temperature Estimation
  • Chip Temperature Measurement
  • General Purpose Analog Input
  • Full Protection and Diagnostics
  • Overvoltage Protection Output
  • Compact 5mm x 7mm TQFN38 Package

Part details & applications

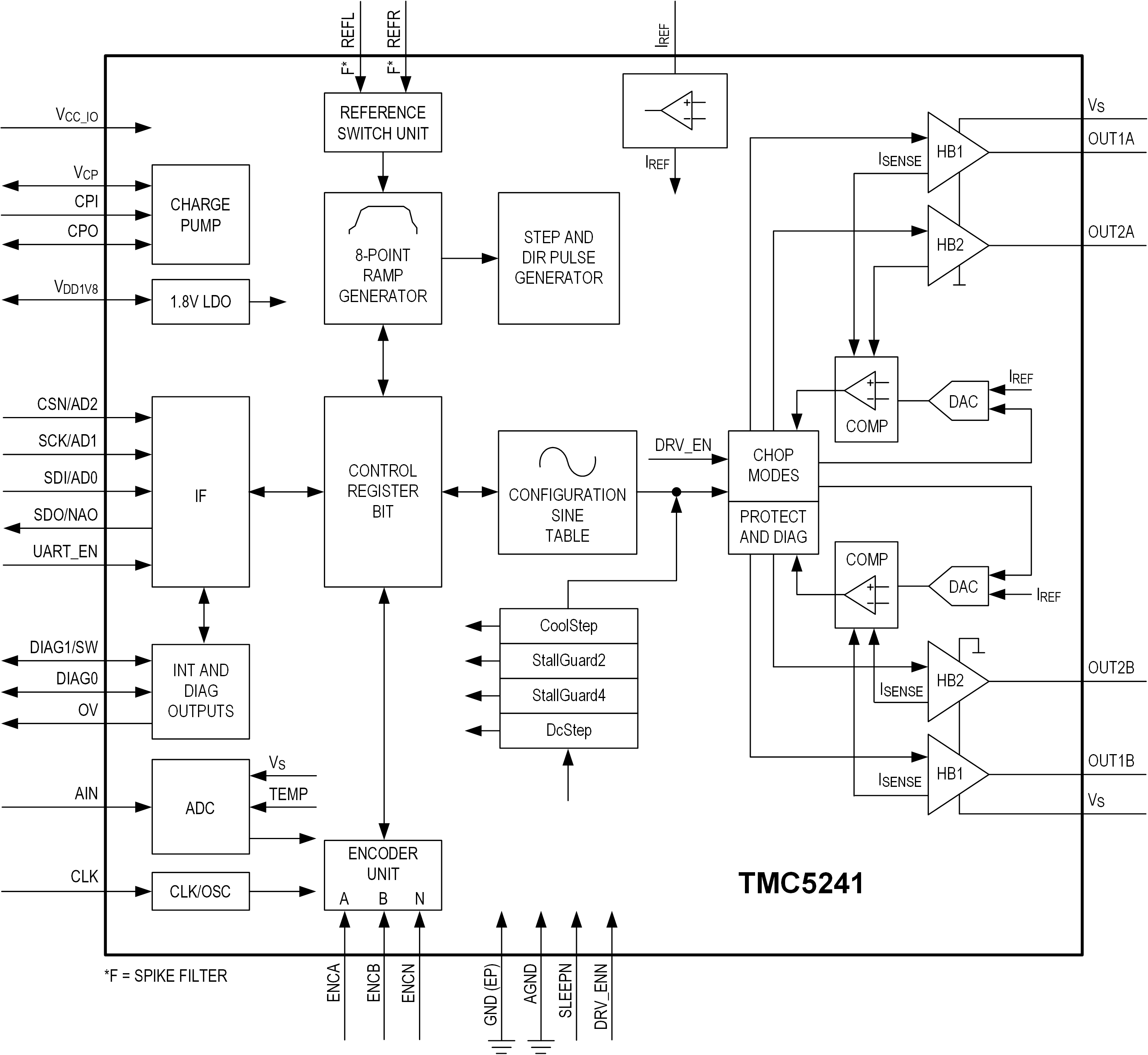
The TMC5241 is a smart, high-performance stepper motor controller and driver IC with serial communication interfaces (SPI, UART) and extensive diagnostic capabilities. It combines a flexible, jerk-optimized ramp generator for automatic target positioning with the industry’s most advanced stepper motor driver based on the 256 microsteps, built-in indexer and fully integrated 65V, 3.0AMAX H-bridges, plus non-dissipative integrated current sensing (ICS).

Please see the Data Sheet for the full description.

APPLICATIONS

  • Textile, Sewing Machines, Knitting Machines
  • Lab and Factory Automation
  • ID Printers/Card Printers
  • Liquid Handling, Medical Applications
  • Office Automation and Paper Handling
  • POS, Massage Chairs
  • ATM, Cash Recycler, Bill Validators, Cash Machines
  • CCTV, Security
  • Pumps and Valve Control
  • Heliostat and Antenna Positioning
  • Stage Lighting

Subscribe to Welllinkchips !
Your Name
* Email
Submit a request