0
LTC3528
  • LTC3528
  • LTC3528
  • LTC3528

LTC3528

RECOMMENDED FOR NEW DESIGNS

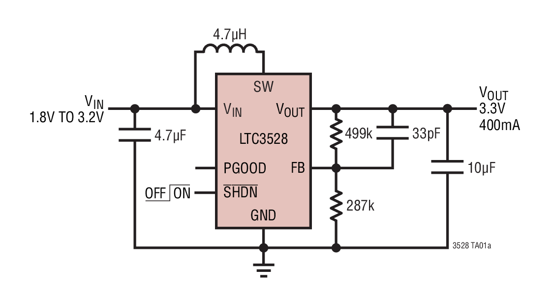
1A, 1MHz Synchronous Step-Up DC/DC Converters in 3mm x 2mm DFN

Analog Devices LTC3528 Product Info

10 February 2026 7

Features

  • Delivers 3.3V at 200mA from a Single Alkaline/NiMH Cell or 3.3V at 400mA from Two Cells
  • VIN Start-Up Voltage: 700mV
  • 1.6V to 5.25V VOUT Range
  • Up to 94% Efficiency
  • Output Disconnect
  • 1MHz Fixed Frequency Operation
  • VIN > VOUT Operation
  • Integrated Soft-Start
  • Current Mode Control with Internal Compensation
  • Burst Mode® Operation with 12µA Quiescent Current (LTC3528)
  • Low Noise PWM Operation (LTC3528B)
  • Internal Synchronous Rectier
  • Logic Controlled Shutdown: <1µA
  • Anti-Ringing Control
  • Low Prole (3mm x 2mm x 0.75mm) DFN Package

Part details & applications

The LTC3528/LTC3528B are synchronous, fixed frequency step-up DC/DC converters with output disconnect. High efficiency synchronous rectification, in addition to a 700mV start-up voltage and operation down to 500mV once started, provides longer run-time for single or multiple cell battery-powered products.

A switching frequency of 1MHz minimizes solution foot- print by allowing the use of tiny, low prole inductors and ceramic capacitors. The current mode PWM is internally compensated, simplifying the design process. The LTC3528 enters Burst Mode operation at light loads, while the LTC3528B features continuous switching at light loads. Anti-ringing circuitry reduces EMI by damping the inductor in discontinuous mode. Additional features include a low shutdown current, open-drain power good output, short- circuit protection and thermal overload protection.

The LTC3528/LTC3528B are offered in an 8-lead 3mm x 2mm x 0.75mm DFN package.

  Frequency Burst Mode
LTC3528 1MHz Yes
LTC3528B 1MHz