0
LTC3526-2
  • LTC3526-2
  • LTC3526-2
  • LTC3526-2

LTC3526-2

PRODUCTION

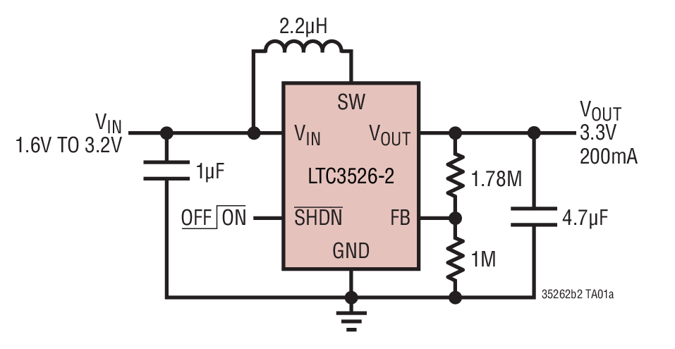
500mA 2MHz Synchronous Step-Up DC/DC Converter in 2mm × 2mm DFN

Analog Devices LTC3526-2 Product Info

10 February 2026 7

Features

  • Delivers 3.3V at 100mA from a Single Alkaline/NiMH Cell or 3.3V at 200mA from Two Cells
  • VIN Start-Up Voltage: 850mV
  • VIN Operating Range: 0.5V to 5V
  • 1.6V to 5.25V VOUT Range
  • Up to 94% Efficiency
  • Output Disconnect
  • 2MHz Fixed Frequency Operation
  • VIN > VOUT Operation
  • Integrated Soft-Start
  • Current Mode Control with Internal Compensation
  • Burst Mode® Operation with 9μA Quiescent Current (LTC3526-2)
  • Low Noise PWM Operation (LTC3526B-2)
  • Internal Synchronous Rectifier
  • Logic Controlled Shutdown (IQ < 1μA)
  • Anti-Ringing Control
  • Low Profile (2mm × 2mm × 0.75mm) DFN-6 Package

Part details & applications

The LTC3526-2/LTC3526B-2 are synchronous, fixed frequency step-up DC/DC converters with output disconnect. Synchronous rectification enables high efficiency in the low profile 2mm × 2mm DFN package. Battery life in single AA/AAA powered products is extended further with an 850mV start-up voltage and operation down to 500mV once started.

A switching frequency of 2MHz minimizes solution footprint by allowing the use of tiny, low profile inductors and ceramic capacitors. The current mode PWM design is internally compensated, reducing external parts count. The LTC3526-2 features Burst Mode operation at light load conditions, while the LTC3526B-2 features continuous switching. Anti-ring circuitry eliminates EMI concerns by damping the inductor in discontinuous mode. Additional features include a low shutdown current of under 1μA and thermal shutdown.

The LTC3526-2/LTC3526B-2 are housed in a 6-pin 2mm × 2mm × 0.75mm DFN package.

For new designs, we recommend the LTC3526L-2/ LTC3526LB-2.

Startup Voltage Frequency Burst Mode Notes
LTC3526 1V 1MHz