0
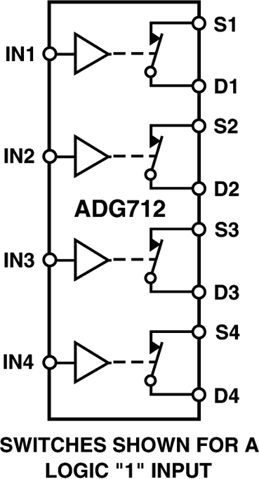
ADG712
  • ADG712

ADG712

PRODUCTION

CMOS Low Voltage 2.5 Ω Quad SPST Switch

Analog Devices ADG712 Product Info

10 February 2026 4

Features

  • 1.8 V to 5.5 V Single Supply
  • 2.5 Ω (Typ) On Resistance
  • Low On-Resistance Flatness
  • -3 dB Bandwidth >200 MHz
  • Rail-to-Rail Operation
  • 16-Lead TSSOP/SOIC packages
  • Fast Switching Times
    tON 16 ns
    tOFF 10 ns
  • Typical Power Consumption (<0.01 µW )
  • TTL/CMOS Compatible

Part details & applications

The ADG712 is a monolithic CMOS device containing four independently selectable switches. It is designed on an advanced submicron process that provides low power dissipation yet gives high switching speed, low on resistance, low leakage currents and high bandwidth.

The ADG712 operates from a single +1.8 V to +5.5 V supply, making it ideal for use in battery powered instruments and with the new generation of DACs and ADCs from Analog Devices. Fast switching times and high bandwidth make the part suitable for video signal switching.

Each switch conducts equally well in both directions when ON. The ADG712 is available in 16-lead TSSOP and 16-lead SOIC packages.

Subscribe to Welllinkchips !
Your Name
* Email
Submit a request