0
LTC2801
  • LTC2801
  • LTC2801
  • LTC2801
  • LTC2801
  • LTC2801

LTC2801

PRODUCTION

1.8V to 5.5V RS-232 Single and Dual Transceivers

Analog Devices LTC2801 Product Info

10 February 2026 6

Features

  • 1.8V to 5.5V Supply Voltage
  • Single and Dual Transceivers
  • High-Speed Operation
    • 1Mbps for 250pF/3kΩ Load (LTC2802, LTC2804)
    • 250kbps for 1nF/3kΩ Load
    • 100kbps for 2.5nF/3kΩ TIA/EIA-232-F Load
  • Low-Power 1μA Shutdown and 15μA Receivers-Active Modes
  • No Damage or Latchup to ±10kV ESD on RS-232 Interface
  • Logic Supply Pin for Easy Level-Shifting to UART or Microprocessor
  • Low-Latency Output Enable Allows Line Sharing and Half-Duplex Operation
  • True RS-232 Compliant Output Levels
  • Small Footprint:
    • LTC2801/LTC2802 4mm × 3mm DFN Package
    • LTC2803/LTC2804 Narrow SSOP-16
    • 5mm × 3mm DFN Packages

Part details & applications

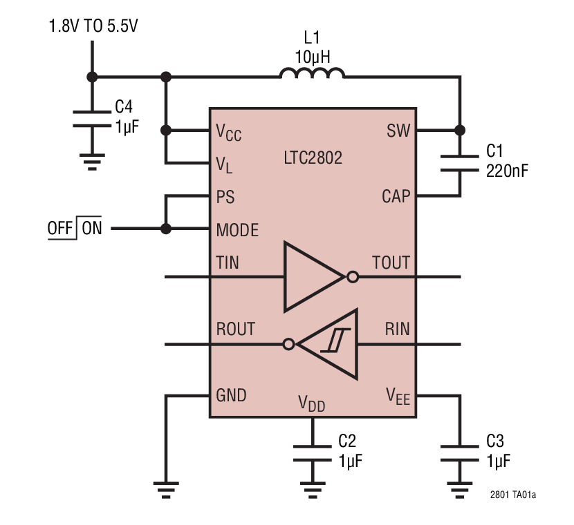
The LTC2801/LTC2802/LTC2803/LTC2804 are single and dual RS-232 transceivers in narrow SSOP and chip-scale DFN packages. All operate over a supply range of 1.8V to 5.5V, which permits operation directly from two alkaline, NiCd or NiMH cells. An integrated DC-to-DC converter generates power supplies for driving RS-232 levels. A logic supply pin allows easy interfacing with different logic levels independent of the DC-DC supply.

These parts are compatible with the TIA/EIA-232-F standard. Driver outputs are protected from overload and can be shorted to ground or up to ±15V without damage. To extend battery life, receivers can be kept active, operating at reduced speed, with only 15μA current. In shutdown mode, current is further reduced to 1μA.

Part Number Driver & Receivers Max Data Rate Modes Package
LTC2801 1 + 1 0.25Mbps SD, RA, DD, AO DFN-12
LTC2802