0
LTC2470
  • LTC2470
  • LTC2470
  • LTC2470
  • LTC2470
  • LTC2470
  • LTC2470

LTC2470

PRODUCTION

Selectable 208sps/833sps, 16-Bit ΔΣ ADCs with 10ppm/°C Max Precision Reference

Analog Devices LTC2470 Product Info

10 February 2026 5

Features

  • 16-Bit Resolution
  • Internal, High Accuracy Reference—10ppm/°C (Max)
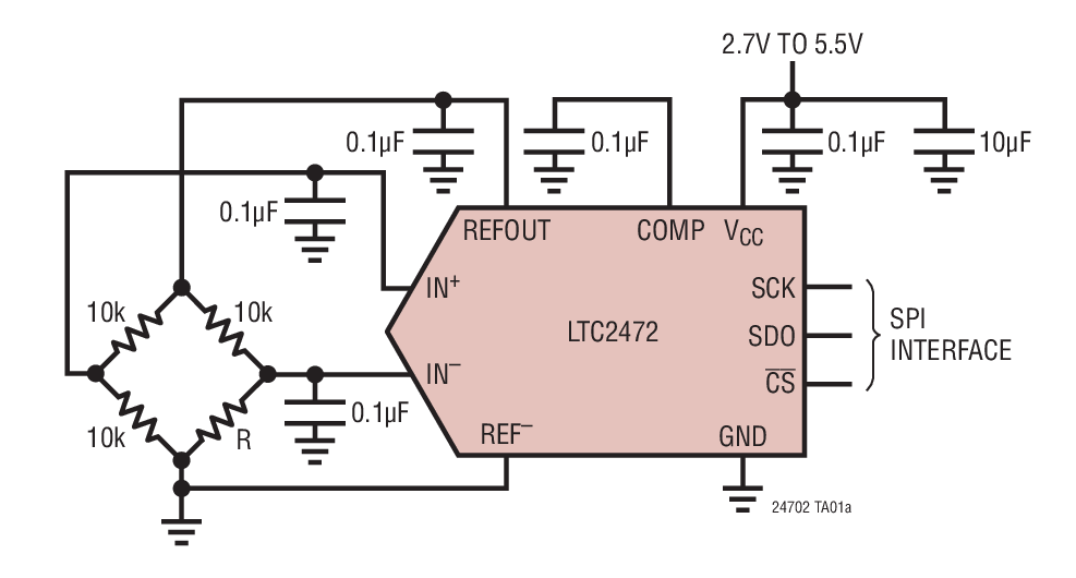
  • Single-Ended (LTC2470) or Differential (LTC2472)
  • Selectable 208sps/833sps Output Rate
  • 1mV Offset Error
  • 0.01% Gain Error
  • Single Conversion Settling Time for Multiplexed Applications
  • Single-Cycle Operation with Auto Shutdown
  • 3.5mA (Typ) Supply Current
  • 2μA (Max) Sleep Current
  • Internal Oscillator—No External Components Required
  • SPI Interface
  • Small 12-Lead, 3mm × 3mm DFN and MSOP Packages

Part details & applications

The LTC2470/LTC2472 are small, 16-bit analog-to-digital converters with an integrated precision reference and a selectable 208sps or 833sps output rate. They use a single 2.7V to 5.5V supply and communicate through a SPI Interface. The LTC2470 is single-ended with a 0V to VREF input range and the LTC2472 is differential with a ±VREF input range. Both ADC’s include a 1.25V integrated reference with 2ppm/°C drift performance and 0.1% initial accuracy. The converters are available in a 12-pin DFN 3mm × 3mm package or an MSOP-12 package. They include an integrated oscillator and perform conversions with no latency for multiplexed applications. The LTC2470/ LTC2472 include a proprietary input sampling scheme that reduces the average input current several orders of magnitude when compared to conventional delta sigma converters.

Following a single conversion, the LTC2470/LTC2472 automatically power down the converter and can also be configured to power down the reference. When both the ADC and reference are powered down, the supply current is reduced to 200nA.

The LTC2470/LTC2472 include a user selectable 208sps or 833sps output rate and due to a large oversampling ratio (8,192 at 208sps and 2,048 at 833sps) have relaxed anti-aliasing requirements.

Applications

  • System Monitoring
  • Environmental Monitoring
  • Direct Temperature Measurements
  • Instrumentation
  • Industrial Process Control
  • Data Acquisition
  • Embedded ADC Upgrades

Subscribe to Welllinkchips !
Your Name
* Email
Submit a request