0
LTC2460
  • LTC2460
  • LTC2460
  • LTC2460
  • LTC2460
  • LTC2460
  • LTC2460

LTC2460

PRODUCTION

Ultra-Tiny, 16-Bit ΔΣ ADCs with 10ppm/°C Max Precision Reference

Analog Devices LTC2460 Product Info

10 February 2026 8

Features

  • 16-Bit Resolution, No Missing Codes
  • Internal Reference, High Accuracy 10ppm/°C (Max)
  • Single-Ended (LTC2460) or Differential (LTC2462)
  • 2LSB Offset Error
  • 0.01% Gain Error
  • 60 Conversions Per Second
  • Single Conversion Settling Time for Multiplexed Applications
  • Single-Cycle Operation with Auto Shutdown
  • 1.5mA Supply Current
  • 2μA (Max) Sleep Current
  • Internal Oscillator—No External Components Required
  • SPI Interface
  • Ultra-Tiny 12-Lead 3mm × 3mm DFN and MSOP Packages

Part details & applications

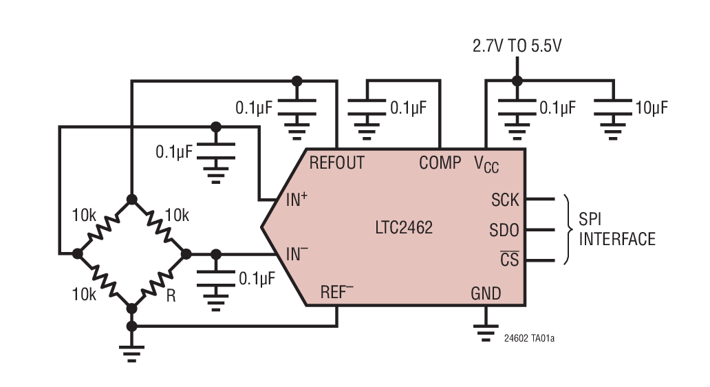
The LTC2460/LTC2462 are ultra tiny, 16-Bit analog-to-digital converters with an integrated precision reference. They use a single 2.7V to 5.5V supply and communicate through an SPI Interface. The LTC2460 is single-ended with a 0V to VREF input range and the LTC2462 is differential with a ±VREF input range. Both ADC’s include a 1.25V integrated reference with 2ppm/°C drift performance and 0.1% initial accuracy. The converters are available in a 12-pin DFN 3mm × 3mm package or an MSOP-12 package. They include an integrated oscillator and perform conversions with no latency for multiplexed applications. The LTC2460/LTC2462 include a proprietary input sampling scheme that reduces the average input current several orders of magnitude when compared to conventional delta sigma converters.

Following a single conversion, the LTC2460/LTC2462 automatically power down the converter and can also be configured to power down the reference. When both the ADC and reference are powered down, the supply current is reduced to 200nA.

The LTC2460/LTC2462 can sample at 60 conversions per second, and due to the very large oversampling ratio, have extremely relaxed antialiasing requirements. Both include continuous internal offset and full-scale calibration algorithms which are transparent to the user, ensuring accuracy over time and the operating temperature range.

Applications

  • System Monitoring
  • Environmental Monitoring
  • Direct Temperature Measurements
  • Instrumentation
  • Industrial Process Control
  • Data Acquisition
  • Embedded ADC Upgrades

Subscribe to Welllinkchips !
Your Name
* Email
Submit a request