0
LTC2436-1
  • LTC2436-1
  • LTC2436-1
  • LTC2436-1

LTC2436-1

PRODUCTION

2-Channel Differential Input 16-Bit No Latency ∆Σ™ ADC

Analog Devices LTC2436-1 Product Info

10 February 2026 6

Features

  • 2-Channel Differential Input with Automatic Channel Selection (Ping-Pong)
  • Low Supply Current: 200µA, 4µA in Autosleep
  • Differential Input and Differential Reference with GND to VCC Common Mode Range
  • 0.12LSB INL, No Missing Codes
  • 0.16LSB Full-Scale Error and 0.006LSB Offset
  • 800nV RMS Noise, Independent of VREF
  • No Latency: Digital Filter Settles in a Single Cycle and Each Channel Conversion is Accurate
  • Internal Oscillator—No External Components Required
  • 87dB Min, 50Hz and 60Hz Notch Filter
  • Narrow SSOP-16 Package
  • Single Supply 2.7V to 5.5V Operation
  • Pin Compatible with the 24-Bit LTC2412

Part details & applications

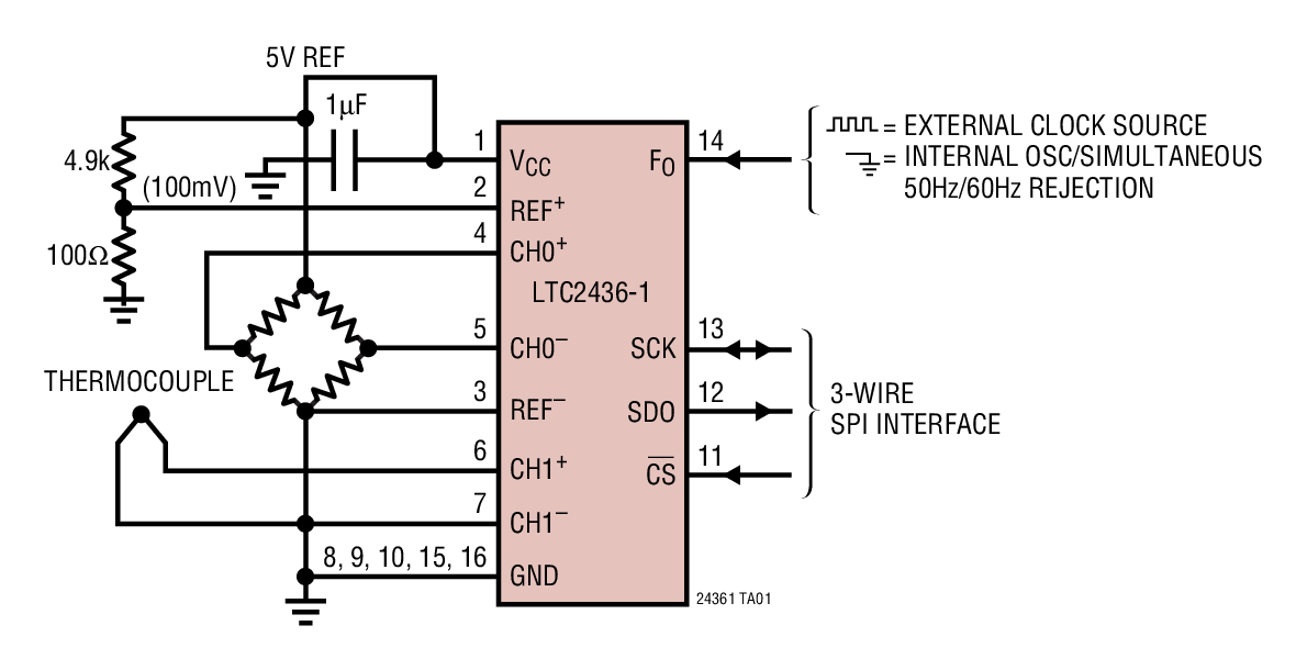
The LTC2436-1 is a 2-channel differential input micropower 16-bit No Latency ∆Σ analog-to-digital converter with an integrated oscillator. It provides 0.5LSB INL and 800nV RMS noise independent of VREF. The two differential channels convert alternately with a channel identification included in the conversion result. It uses delta-sigma technology and provides single conversion settling of the digital filter. Through a single pin, the LTC2436-1 can be configured for better than 87dB input differential mode rejection at 50Hz and 60Hz ±2%, or it can be driven by an external oscillator for a user defined rejection frequency. The internal oscillator requires no external frequency setting components.

The converter accepts any external differential reference voltage from 0.1V to VCC for flexible ratiometric and remote sensing measurement configurations. The full-scale differential input range is from –0.5 • VREF to 0.5 • VREF. The reference common mode voltage, VREFCM, and the input common mode voltage, VINCM, may be independently set anywhere between GND and VCC. The DC common mode input rejection is better than 140dB.

The LTC2436-1 communicates through a flexible 3-wire digital interface which is compatible with SPI and MICROWIRE protocols.

Applications

  • Direct Sensor Digitizer
  • Weight Scales
  • Direct Temperature Measurement
  • Gas Analyzers
  • Strain-Gage Transducers
  • Instrumentation
  • Data Acquisition
  • Industrial Process Control

Subscribe to Welllinkchips !
Your Name
* Email
Submit a request