0
LTC2428
  • LTC2428
  • LTC2428
  • LTC2428
  • LTC2428

LTC2428

PRODUCTION

4-/8-Channel 20-Bit µPower No Latency ∆Σ™ ADCs

Analog Devices LTC2428 Product Info

10 February 2026 8

Features

  • Pin Compatible 4-/8-Channel 20-Bit ADCs
  • 8ppm INL, No Missing Codes at 20 Bits
  • 4ppm Full-Scale Error and 0.5ppm Offset
  • 1.2ppm Noise
  • Digital Filter Settles in a Single Cycle. Each
    Conversion is Accurate, Even After Changing
    Channels
  • Fast Mode: 16-Bit Noise, 12-Bit TUE at 100sps
  • Internal Oscillator—No External Components
    Required
  • 110dB Min, 50Hz/60Hz Notch Filter
  • Reference Input Voltage: 0.1V to VCC
  • Live Zero—Extended Input Range Accommodates
    12.5% Overrange and Underrange
  • Single Supply 2.7V to 5.5V Operation
  • Low Supply Current (200µA) and Auto Shutdown
  • Can Be Interchanged with 24-Bit LTC2404/LTC2408
    if ZSSET Pin is Grounded

Part details & applications

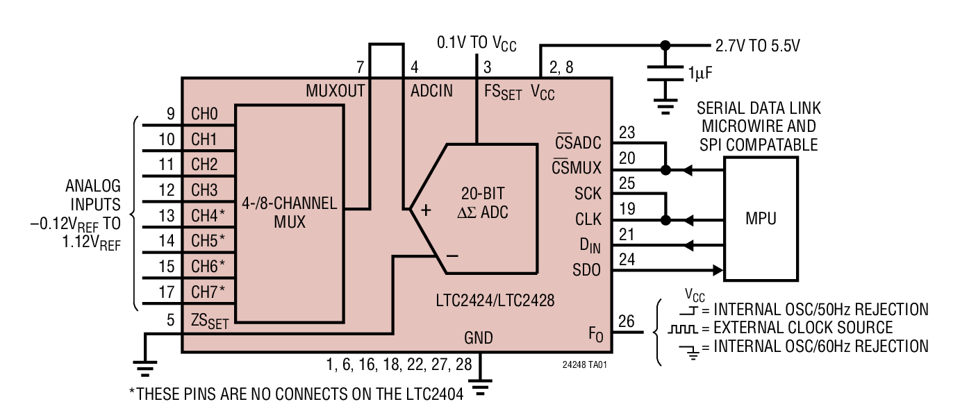
The LTC2424/LTC2428 are 4-/8-channel 2.7V to 5.5V micropower 20-bit A/D converters with an integrated oscillator, 8ppm INL and 1.2ppm RMS noise. They use delta-sigma technology and provide single cycle digital filter settling time (no latency delay) for multiplexed applications. The first conversion after the channel is changed is always valid. Through a single pin the LTC2424/LTC2428 can be configured for better than 110dB rejection at 50Hz or 60Hz ±2%, or can be driven by an external oscillator for a user defined rejection frequency in the range 1Hz to 800Hz. The internal oscillator requires no external frequency setting components.

The converters accept any external reference voltage from 0.1V to VCC. With their extended input conversion range of –12.5% VREF to 112.5% VREF (VREF = FSSET – ZSSET) the LTC2424/LTC2428 smoothly resolve the offset and overrange problems of preceding sensors or signal conditioning circuits.

The LTC2424/LTC2428 communicate through a flexible 4-wire digital interface which is compatible with SPI and MICROPOWER protocols.

Applications

  • Weight Scales
  • Direct Temperature Measurement
  • Gas Analyzers
  • Strain-Gage Transducers
  • Instrumentation
  • Data Acquisition
  • Industrial Process Control
  • 4-Digit DVMs

Subscribe to Welllinkchips !
Your Name
* Email
Submit a request