0
MAX5069
  • MAX5069

MAX5069

PRODUCTION

High-Frequency, Current-Mode PWM Controller with Accurate Oscillator and Dual FET Drivers 2.5MHz, Universal-Input, Dual-Output PWM Controller with Precision-Programmable Switching Frequency and Start/Stop Voltage

Analog Devices MAX5069 Product Info

10 February 2026 8

Features

  • Current-Mode Control with 47µA (typ) Startup Current
  • Oscillator Frequency Programmable to 2.5MHz
  • Resistor-Programmable ±4.5% Accurate Switching Frequency
  • Dual Gate-Drive Output for Half/Full-Bridge or Push-Pull Applications
  • Rectified 85VAC to 265VAC, or 36VDC to 72VDC Input (MAX5069A/B)
  • Input Directly Driven from 10.8V to 24V (MAX5069C/D/E)
  • Programmable Dead Time and Slope Compensation
  • Programmable Startup Voltage (UVLO)
  • Programmable UVLO Hysteresis (MAX5069B/C/E)
  • Frequency Synchronization Input (MAX5069A/D)
  • -40°C to +125°C Automotive Temperature Range
  • 16-Pin Thermally Enhanced TSSOP-EP Package

Part details & applications

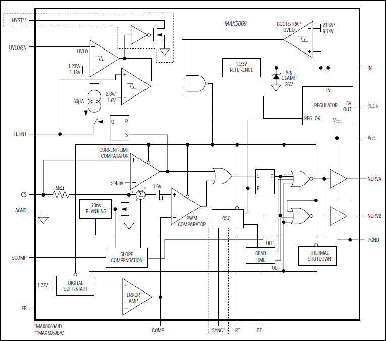
The MAX5069 is a high-frequency, current-mode, pulse-width modulation (PWM) controller (with dual MOSFET drivers) that integrates all the building blocks necessary for implementing AC-DC or DC-DC fixed-frequency power supplies. Isolated or nonisolated pushpull and half/full-bridge power supplies are easily constructed using either primary- or secondary-side regulation. Current-mode control with leading-edge blanking simplifies control-loop design and a programmable internal slope-compensation circuit stabilizes the current loop when operating at duty cycles above 50%.

An input undervoltage lockout (UVLO) programs the input-supply startup voltage and ensures proper operation during brownout conditions.

A single external resistor programs the oscillator frequency from 50kHz to 2.5MHz. The MAX5069A/D provide a SYNC input for synchronization to an external clock. The maximum FET-driver duty cycle for the MAX5069 is 50%. Programmable dead time allows additional flexibility in optimizing magnetic design and overcoming parasitic effects. Programmable hiccup current limit provides additional protection under severe faults.

The MAX5069 is specified over the -40°C to +125°C automotive temperature range and is available in a 16-pin thermally enhanced TSSOP-EP package. Refer to the MAX5068 data sheet for single FET-driver applications.

Warning: The MAX5069 is designed to work with high voltages. Exercise caution.

Applications

  • Industrial Power Conversion
  • Isolated Telecom Power Supplies
  • Networking System Power Supplies
  • Server Power Supplies
  • Universal-Input AC Power Supplies

Subscribe to Welllinkchips !
Your Name
* Email
Submit a request