0
LTC2410
  • LTC2410
  • LTC2410
  • LTC2410

LTC2410

PRODUCTION

24-Bit No Latency ∆Σ™ ADC with Differential Input and Differential Reference

Analog Devices LTC2410 Product Info

10 February 2026 6

Features

  • Differential Input and Differential Reference with
    GND to VCC Common Mode Range
  • 2ppm INL, No Missing Codes
  • 2.5ppm Full-Scale Error
  • 0.1ppm Offset
  • 0.16ppm Noise
  • Single Conversion Settling Time for Multiplexed
    Applications
  • Internal Oscillator—No External Components
    Required
  • 110dB Min, 50Hz/60Hz Notch Filter
  • 24-Bit ADC in Narrow SSOP-16 Package
    (SO-8 Footprint)
  • Single Supply 2.7V to 5.5V Operation
  • Low Supply Current (200µA) and Auto Shutdown
  • Fully Differential Version of LTC2400

Part details & applications

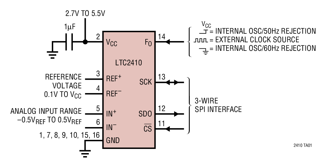
The LTC2410 is a 2.7V to 5.5V micropower 24-bit differential ∆Σ analog to digital converter with an integrated oscillator, 2ppm INL and 0.16ppm RMS noise. It uses delta-sigma technology and provides single cycle settling time for multiplexed applications. Through a single pin, the LTC2410 can be configured for better than 110dB input differential mode rejection at 50Hz or 60Hz ±2%, or it can be driven by an external oscillator for a user defined rejection frequency. The internal oscillator requires no external frequency setting components.

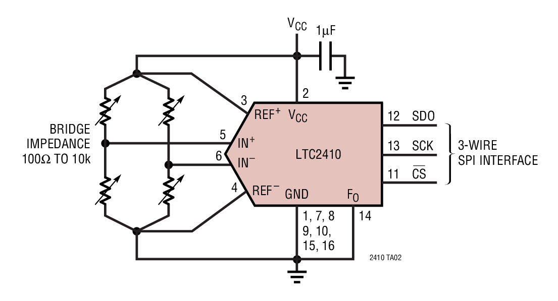
The converter accepts any external differential reference voltage from 0.1V to VCC for flexible ratiometric and remote sensing measurement configurations. The full-scale differential input range is from –0.5VREF to 0.5VREF. The reference common mode voltage, VREFCM, and the input common mode voltage, VINCM, may be independently set anywhere within the GND to VCC range of the LTC2410. The DC common mode input rejection is better than 140dB.

The LTC2410 communicates through a flexible 3-wire digital interface which is compatible with SPI and MICROWIRE protocols.

Applications

  • Direct Sensor Digitizer
  • Weight Scales
  • Direct Temperature Measurement
  • Gas Analyzers
  • Strain-Gauge Transducers
  • Instrumentation
  • Data Acquisition
  • Industrial Process Control
  • 6-Digit DVMs

Subscribe to Welllinkchips !
Your Name
* Email
Submit a request