0
LTC1706-81
  • LTC1706-81
  • LTC1706-81

LTC1706-81

PRODUCTION

5-Bit Desktop VID Voltage Programmer

Analog Devices LTC1706-81 Product Info

10 February 2026 8

Features

  • Programs Regulator Output Voltage Range from 1.3V to 2.05V in 50mV Steps and from 2.1V to 3.5V in 100mV Steps (VRM 8.4)
  • Programs a Wide Range of ADI DC/DC Converters with a 0.8V Reference
  • Fully Compliant with the Intel Pentium® Processor Desktop VID Specification
  • ±0.25% Accurate Output Voltage
  • Built-In 40k Pull-Up Resistors on VID Inputs
  • Available in MSOP-10 Package

Part details & applications

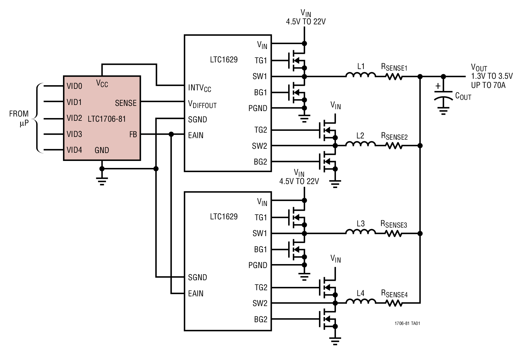
The LTC1706-81 is a precision, digitally programmed, resistive ladder which adjusts the output of any 0.8V referenced regulator. Depending on the state of the five VID inputs, an output voltage between 1.3V and 3.5V is programmed in 50mV and 100mV increments.

The LTC1706-81 is designed specifically to program an entire family of ADI DC/DC converters in full compliance with the Intel Desktop (VRM 8.4) VID specification.

The LTC1706-81 programs the following Analog Devices DC/DC converter products: LTC1622, LTC1628, LTC1629, LTC1702, LTC1735, LTC1735-1, LTC1772 and LTC1929. (Consult factory for future compatible DC/DC converter products.)

Applications

  • Intel Pentium II and III Processor Power Supply
  • AMD Athlon Processor Power Supply
  • Workstations and Servers
  • Large Memory Array Supply

Subscribe to Welllinkchips !
Your Name
* Email
Submit a request