0
LTC1694
  • LTC1694
  • LTC1694
  • LTC1694

LTC1694

PRODUCTION

SMBus/I²C Accelerator

Analog Devices LTC1694 Product Info

10 February 2026 6

Features

  • Improves SMBus Rise Time Transition
  • Ensures Data Integrity with Multiple Devices on the SMBus
  • Improves Low State Noise Margin
  • Auto Detect Low Power Standby Mode
  • Wide Supply Voltage Range: 2.7V to 6V
  • Low Profile (1mm) SOT-23 (ThinSOT) Package

Part details & applications

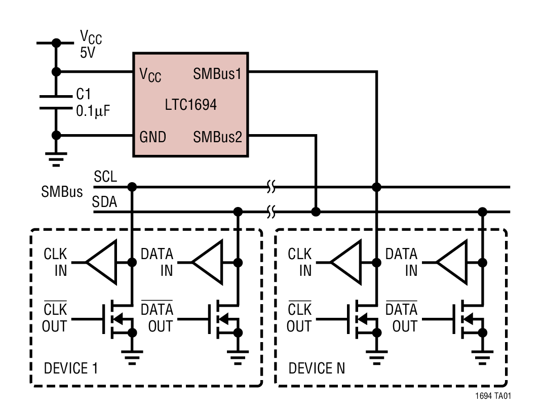
The LTC1694 is a dual SMBus active pull-up designed to enhance data transmission speed and reliability under all specified SMBus loading conditions. The LTC1694 is also compatible with the Philips I²C Bus.

The LTC1694 allows multiple device connections or a longer, more capacitive interconnect, without compromising slew rates or bus performance, by using two bilevel hysteretic current source pull-ups.

During positive bus transitions, the LTC1694 current sources provide 2.2mA to quickly slew the SMBus line. During negative transitions or steady DC levels, the current sources decrease to 275µA to improve negative slew rate and improve low state noise margins. An auto detect standby mode reduces supply current if both SCL and SDA are high.

The LTC1694 is available in a 5-pin SOT-23 package, requiring virtually the same space as two surface mount resistors.

Applications

  • Notebook and Palmtop Computers
  • Portable Instruments
  • Battery Chargers
  • Industrial Control Application
  • TV/Video Products
  • ACPI SMBus Interface

Subscribe to Welllinkchips !
Your Name
* Email
Submit a request