0
LTC1664
  • LTC1664
  • LTC1664
  • LTC1664

LTC1664

PRODUCTION

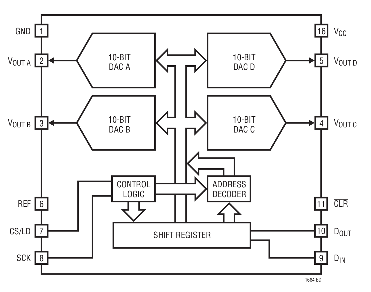
Micropower Quad 10-Bit DAC

Analog Devices LTC1664 Product Info

10 February 2026 9

Features

  • Tiny: 4 DACs in the Board Space of an SO-8
  • Micropower: 59µA per DAC Plus 1µA Sleep Mode for Extended Battery Life
  • Wide 2.7V to 5.5V Supply Range
  • Rail-to-Rail Voltage Outputs Drive 1000pF
  • Reference Range Includes Supply for Ratiometric 0V to VCC Output
  • Reference Input Impedance is Code-Independent —Eliminates External Reference Buffer
  • Individually Addressable DACs
  • Differential Nonlinearity: ≤­ ±0.75LSB Max
  • Pin-Compatible Octal Version Available (LTC1660)

Part details & applications

The LTC1664 integrates four accurate, serially addressable 10-bit digital-to-analog converters (DACs) in a tiny 16-pin Narrow SSOP package. Each buffered DAC draws just 59µA total supply current, yet is capable of supplying DC output currents in excess of 5mA and reliably driving capacitive loads of up to 1000pF. Sleep mode further reduces total supply current to 1µA.

Proprietary, inherently monotonic voltage interpolation architecture provides excellent linearity while allowing for an exceptionally small external form factor.

Ultralow supply current, power-saving Sleep mode and extremely compact size make the LTC1664 ideal for battery-powered applications, while its ease of use, high performance and wide supply range make it an excellent choice as a general-purpose converter.

Applications

  • Mobile Communications
  • Remote Industrial Devices
  • Automatic Calibration for Manufacturing
  • Portable Battery-Powered Instruments
  • Trim/Adjust Applications

Subscribe to Welllinkchips !
Your Name
* Email
Submit a request