0
LTC1660
  • LTC1660
  • LTC1660
  • LTC1660
  • LTC1660

LTC1660

PRODUCTION

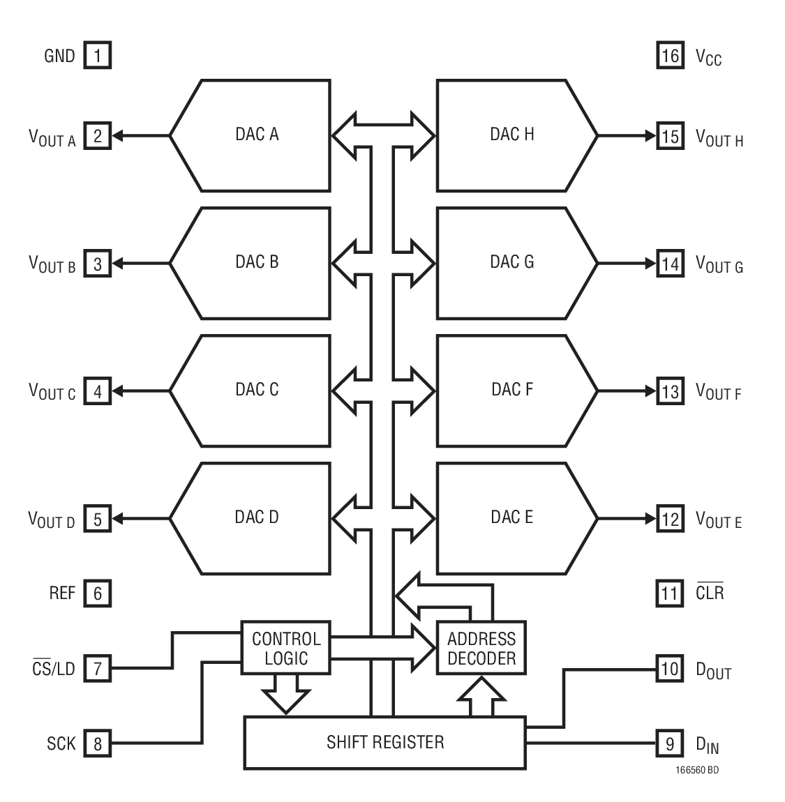
Micropower Octal 10-Bit DACs

Analog Devices LTC1660 Product Info

10 February 2026 8

Features

  • Tiny: 8 DACs in the Board Space of an SO-8
  • Micropower: 56µA per DAC Plus 1µA Sleep Mode for Extended Battery Life
  • Pin Compatible 8-Bit LTC1665 and 10-Bit LTC1660
  • Wide 2.7V to 5.5V Supply Range
  • Rail-to-Rail Voltage Outputs Drive 1000pF
  • Reference Range Includes Supply for Ratiometric 0V-to-VCC Output
  • Reference Input Impedance is Constant—Eliminates External Buffer

Part details & applications

The 8-bit LTC1665 and 10-bit LTC1660 integrate eight accurate, serially addressable digital-to-analog converters (DACs) in tiny 16-pin narrow SSOP packages. Each buffered DAC draws just 56µA total supply current, yet is capable of supplying DC output currents in excess of 5mA and reliably driving capacitive loads to 1000pF. Sleep mode further reduces total supply current to 1µA.

Proprietary, inherently monotonic voltage interpolation architecture provides excellent linearity while allowing for an exceptionally small external form factor.

Ultralow supply current, power-saving Sleep mode and extremely compact size make the LTC1665 and LTC1660 ideal for battery-powered applications, while their ease of use, high performance and wide supply range make them excellent choices as general purpose converters.

Applications

  • Mobile Communications
  • Remote Industrial Devices
  • Automatic Calibration for Manufacturing
  • Portable Battery-Powered Instruments
  • Trim/Adjust Applications

Subscribe to Welllinkchips !
Your Name
* Email
Submit a request