0
MX7524
  • MX7524

MX7524

PRODUCTION

Improved MX7524

Analog Devices MX7524 Product Info

10 February 2026 8

Features

  • Microprocessor Compatible
  • On-chip Data Latches
  • Guaranteed Monotonic Over Temp.
  • Low Power Consumption
  • 8, 9, 10-Bit Linearity
  • MX7524 TTL/CMOS Compatible at +5V
  • MAX7624 TTL/CMOS Compatible at +12V to +15V

Part details & applications

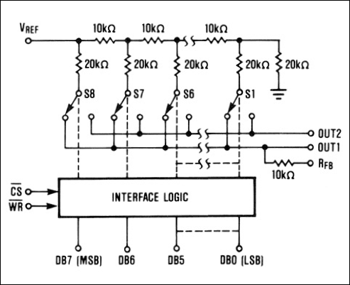
The MX7524/MAX7624 are CMOS 8-big digital-to-analog converters (DAC) which will interface directly with most microprocessors. On-chip input latches make the DAC interface similar to a RAM write cycle where active-low CS and active-low WR are the only control inputs required. Linearity up to ±1/8 LSB is available (MX7524L/C/U grades) and power consumption is less than 10mW. Monotonicity is guaranteed over the full temperature range.

For the MX7524, +5V TTL and CMOS logic compatibility is guaranteed when using +5V power. Over the supply range of +5V to +15V, all logic inputs are high voltage CMOS compatible. The MAX7624 has +5V TTL/CMOS compatible inputs for a +12V to +15V supply range.

Applications

  • Automatic Test Equipment
  • Bus Structured Instruments
  • Digital Control Systems
  • Function Generators
  • µP Controlled Gain

Subscribe to Welllinkchips !
Your Name
* Email
Submit a request