0
LTC1544
  • LTC1544
  • LTC1544

LTC1544

PRODUCTION

Software-Selectable Multiprotocol Transceiver

Analog Devices LTC1544 Product Info

10 February 2026 15

Features

  • Software-Selectable Transceiver Supports:
    • RS232, RS449, EIA530, EIA530-A, V.35, V.36, X.21
  • TUV/Detecon Inc. Certified NET1 and NET2 Compliant (Test Report No. NET2/102201/97)
  • TBR2 Compliant (Test Report No. CTR2/022701/98)
  • Software-Selectable Cable Termination Using the LTC1344A
  • Complete DTE or DCE Port with LTC1543, LTC1344A or LTC1546 with Integrated Termination
  • Operates from Single 5V Supply with LTC1543

Part details & applications

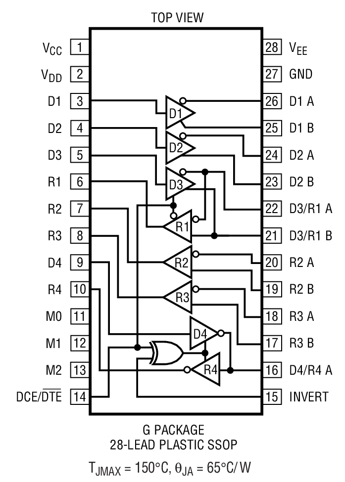
The LTC1544 is a 4-driver/4-receiver multiprotocol transceiver. The LTC1544 and LTC1543 form the core of a complete software-selectable DTE or DCE interface port that supports the RS232, RS449, EIA530, EIA530-A, V.35, V.36 or X.21 protocols. Cable termination for the LTC1543 may be implemented using the LTC1344A software-selectable cable termination chip or by using existing discrete designs. The LTC1546 includes software-selectable cable termination on-chip.

The LTC1544 runs from a 5V supply and the charge pump on the LTC1543 or LTC1546. The part is available in a 28-lead SSOP surface mount package.

Applications

  •  Data Networking
  • CSU and DSU
  • Data Routers

Subscribe to Welllinkchips !
Your Name
* Email
Submit a request