0
LTC1483
  • LTC1483
  • LTC1483
  • LTC1483

LTC1483

PRODUCTION

Ultra-Low Power RS485 Low EMI Transceiver with Shutdown

Analog Devices LTC1483 Product Info

10 February 2026 8

Features

  • Low Power: ICC = 120µA Max with Driver Disabled
  • ICC = 500µA Max with Driver Enabled, No Load
  • 1µA Quiescent Current in Shutdown Mode
  • Controlled Slew Rate Driver for Reduced EMI
  • Single 5V Supply
  • Drivers/Receivers Have ±10kV ESD Protection
  • −7V to 12V Common-Mode Range Permits ±7V Ground Difference Between Devices on the Data Line
  • Thermal Shutdown Protection
  • Power Up/Down Glitch-Free Driver Outputs Permit Live Insertion or Removal of Transceiver
  • Driver Maintains High Impedance in Three-State or with the Power Off
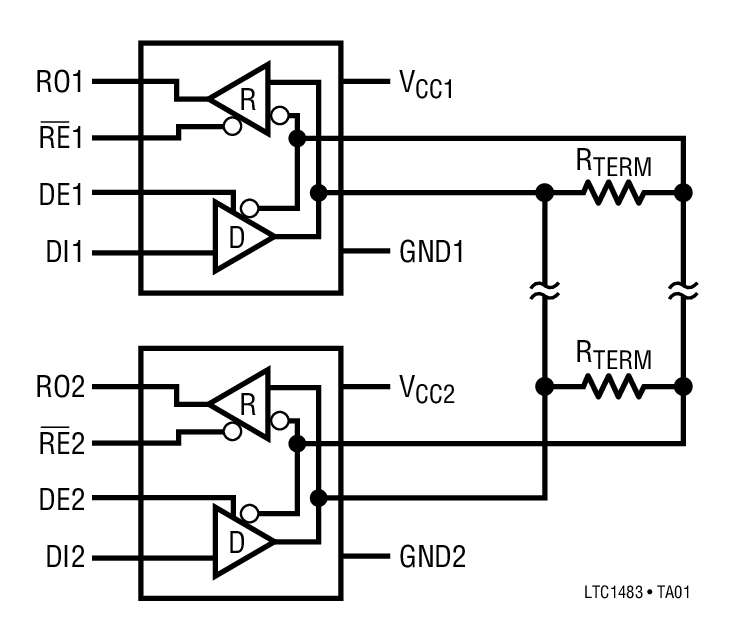
  • Up to 32 Transceivers on the Bus
  • Pin Compatible with the LTC485

Part details & applications

The LTC1483 is an ultra-low power differential line transceiver designed for data transmission standard RS485 applications with extended common-mode range (−7V to 12V). It will also meet the requirements of RS422. The LTC1483 features output drivers with controlled slew rate, decreasing the EMI radiated from the RS485 lines, and improving signal fidelity with misterminated lines. The CMOS design offers significant power savings over its bipolar counterparts without sacrificing ruggedness against overload or ESD damage. Typical quiescent current is only 80µA while operating and less than 1µA in shutdown.

The driver and receiver feature three-state outputs, with the driver outputs maintaining high impedance over the entire common-mode range. Excessive power dissipation caused by bus contention or faults is prevented by a thermal shutdown circuit which forces the driver outputs into a high impedance state. The receiver has a fail-safe feature which guarantees a high output state when the inputs are left open. I/O pins are protected against multiple ESD strikes of over ±10kV.

The LTC1483 is fully specified over the commercial and extended industrial temperature range and is available in 8-pin DIP and SO packages.

Applications

  • Battery-Powered RS485/RS422 Applications
  • Low Power RS485/RS422 Transceiver
  • Level Translator

Subscribe to Welllinkchips !
Your Name
* Email
Submit a request