0
AD7693
  • AD7693
  • AD7693
  • AD7693

AD7693

PRODUCTION

16-Bit, ±0.5 LSB, 500 kSPS PulSAR® Differential A/D Converter in MSOP/QFN

Analog Devices AD7693 Product Info

10 February 2026 9

Features

  • 16-bit resolution with no missing codes
  • Throughput: 500 kSPS
  • INL/DNL: ±0.25 LSB typ, ±0.5 LSB max (±8 ppm of FSR)
  • Dynamic range: 96.5 dB
  • SINAD: 96 dB at 1 kHz
  • THD: −120 dB at 1 kHz
  • True differential analog input range: ±VREF 0 V to VREF with VREF up to VDD on both inputs
  • No pipeline delay
  • Single-supply 5 V operation with 1.8 V/2.5 V/3 V/5 V logic interface
  • Proprietary serial interface SPI®-/QSPI-/MICROWIRE-/DSP-compatible
  • Daisy-chain multiple ADCs, selectable busy indicator
  • Power dissipation: 40 nJ/conversion
    • 40 μW at 5 V/1 kSPS
    • 4 mW at 5 V/100 kSPS
    • 18 mW at 5 V/500 kSPS
  • Standby current: 1 nA
  • 10-lead package: MSOP (MSOP-8 size)
  • Pin-for-pin compatible with the 16-bit AD7687 and AD7688 and the 18-bit AD7690 and AD7691

Part details & applications

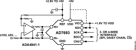
The AD7693 is a 16-bit, successive approximation analog-to-digital converter (ADC) that operates from a single power supply, VDD. It contains a low power, high speed, 16-bit sampling ADC with no missing codes, an internal conversion clock, and a versatile serial interface port. The reference voltage, VREF, is applied externally and can be set up to the supply voltage, VDD. On the CNV rising edge, it samples the voltage difference between the IN+ and IN− pins. The voltages on these pins swing in opposite phase between 0 V and VREF about VREF/2.

Its power scales linearly with throughput.

Using the SDI input, the SPI-compatible serial interface also features the ability to daisy-chain several ADCs on a single 3-wire bus and provides an optional busy indicator. It is compatible with 1.8 V, 2.5 V, 3 V, or 5 V logic, using the separate VIO supply.

The AD7693 is housed in a 10-lead MSOP with operation specified from −40°C to +85°C.

APPLICATIONS

  • Battery-powered equipment
  • Data acquisitions
  • Seismic data acquisition systems
  • DVMs
  • Instrumentation
  • Medical instruments

Subscribe to Welllinkchips !
Your Name
* Email
Submit a request