0
LTC1411
  • LTC1411
  • LTC1411
  • LTC1411

LTC1411

PRODUCTION

Single Supply 14-Bit 2.5Msps ADC

Analog Devices LTC1411 Product Info

10 February 2026 7

Features

  • Sample Rate: 2.5Msps
  • 80dB S/(N + D) and 90dB THD at 100kHz fIN
  • Single 5V Operation
  • No Pipeline Delay
  • Programmable Input Ranges
  • Low Power Dissipation: 195mW (Typ)
  • True Differential Inputs Reject Common Mode Noise
  • Out-of-Range Indicator
  • Internal or External Reference
  • Sleep (1µA) and Nap (2mA) Shutdown Modes
  • 36-Pin SSOP Package

Part details & applications

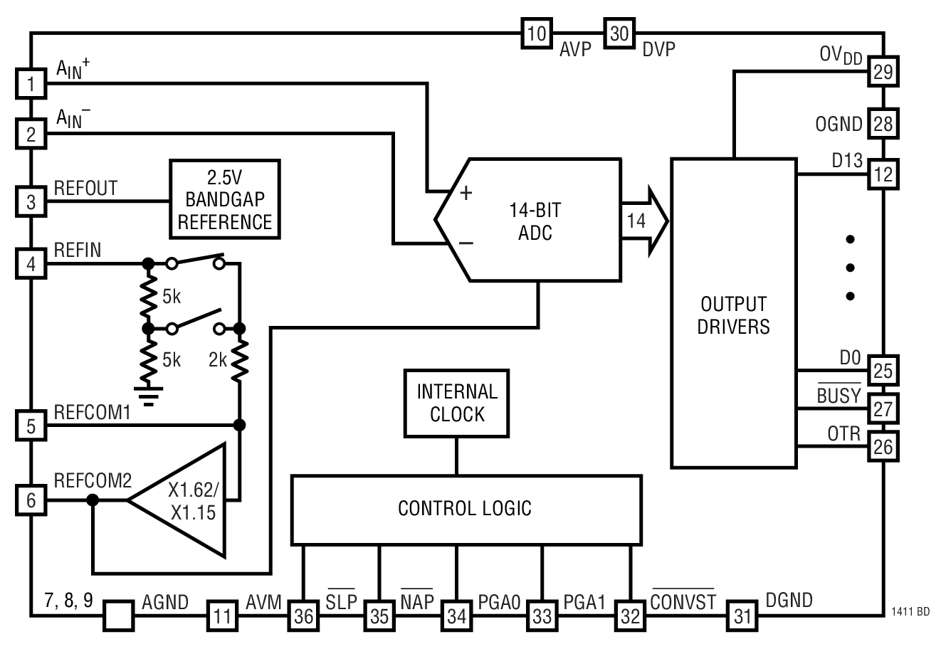
The LTC1411 is a 2.5Msps sampling 14-bit A/D converter in a 36-pin SSOP package, which typically dissipates only 195mW from a single 5V supply. This device comes complete with a high bandwidth sample-and-hold, a precision reference, programmable input ranges and an internally trimmed clock. The ADC can be powered down with either the Nap or Sleep mode for low power applications.

The LTC1411 converts either differential or single-ended inputs and presents data in 2’s complement format. Maximum DC specs include ±2LSB INL and 14-bit no missing code over temperature. Outstanding dynamic performance includes 80dB S/(N + D) and 90dB THD at 100kHz input frequency.

The LTC1411 has four programmable input ranges selected by two digital input pins, PGA0 and PGA1. This provides input spans of ±1.8V, ±1.27V, ±0.9V and ±0.64V. An out-of-the-range signal together with the D13 (MSB) will indicate whether a signal is over or under the ADC’s input range. A simple conversion start input and a data ready signal ease connections to FIFOs, DSPs and microprocessors.

Applications

  • Telecommunications
  • High Speed Data Acquisition
  • Digital Signal Processing
  • Multiplexed Data Acquisition Systems
  • Spectrum Analysis
  • Imaging Systems

Subscribe to Welllinkchips !
Your Name
* Email
Submit a request