0
MAX13486E
  • MAX13486E

MAX13486E

PRODUCTION

Half-Duplex RS-485 Transceivers in µDFN Industry's Smallest RS-485 Transceiver with Enhanced ESD Protection

Analog Devices MAX13486E Product Info

10 February 2026 11

Features

  • +5V Operation
  • True Fail-Safe Receiver While Maintaining EIA/TIA-485 Compatibility
  • Hot-Swappable for Telecom Applications
  • Enhanced Slew-Rate Limiting Facilitates Error-Free Data Transmission (MAX13485E)
  • High-Speed Version (MAX13486E) Allows for Transmission Speeds Up to 16Mbps
  • Extended ESD Protection for RS-485 I/O Pins ±15kV Using Human Body Model
  • 1/4 Unit Load, Allowing Up to 128 Transceivers on the Bus
  • Available in Space-Saving 8-Pin μDFN or Industry Standard 8-Pin SO Packages

Part details & applications

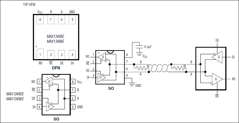
The MAX13485E/MAX13486E +5V, half-duplex, ±15kV ESD-protected RS-485 transceivers feature one driver and one receiver. These devices include fail-safe circuitry, guaranteeing a logic-high receiver output when receiver inputs are open or shorted. The receiver outputs a logic-high if all transmitters on a terminated bus are disabled (high impedance). The MAX13485E/MAX13486E include a hot-swap capability to eliminate false transitions on the bus during power-up or live-insertion.

The MAX13485E features reduced slew-rate drivers that minimize EMI and reduce reflections caused by improperly terminated cables, allowing error-free transmission up to 500kbps. The MAX13486E driver slew rate is not limited, allowing transmit speeds up to 16Mbps.

The MAX13485E/MAX13486E feature a 1/4-unit load receiver input impedance, allowing up to 128 transceivers on the bus. These devices are intended for half-duplex communications. All driver outputs are protected to ±15kV ESD using the Human Body Model. The MAX13485E/MAX13486E are available in 8-pin SO and space-saving 8-pin µDFN packages. The devices operate over the extended -40°C to +85°C temperature range.

Applications

  • Automated HVAC Systems
  • Industrial Controls
  • Industrial Motor Drives
  • Utility Meters

Subscribe to Welllinkchips !
Your Name
* Email
Submit a request