0
MAX33047E
  • MAX33047E
  • MAX33047E
  • MAX33047E

MAX33047E

PRODUCTION

20Mbps Full-Duplex RS-485/RS-422 Transceivers with ±40kV ESD Protection

Analog Devices MAX33047E Product Info

10 February 2026 9

Features

  • Integrated Protection Ensures Robust Communication
    • ±25V Fault Protection Range on Driver Outputs/Receiver Inputs
    • High ESD Protection
      • ±40kV Human Body Model (HBM) ESD
      • ±15kV Air-Gap ESD as per IEC 61000-4-2
      • ±10kV Contact ESD as per IEC 61000-4-2
    • Short-Circuit Protected Outputs
    • True Fail-Safe Receiver
    • Hot-Swap Capability (MAX33049E)
  • Flexibility for Many Different Applications
    • 3.0V to 5.5V Supply Range
    • Up to 500kbps Data Rates (MAX33047E)
    • Up to 20Mbps Data Rate (MAX33048E/MAX33049E)
    • Available in 8-Pin and 14-Pin SOIC Packages
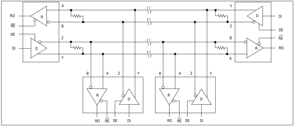
    • Enables up to 256 Nodes on the Bus
    • Wide -40°C to +125°C Operating Temperature

Part details & applications

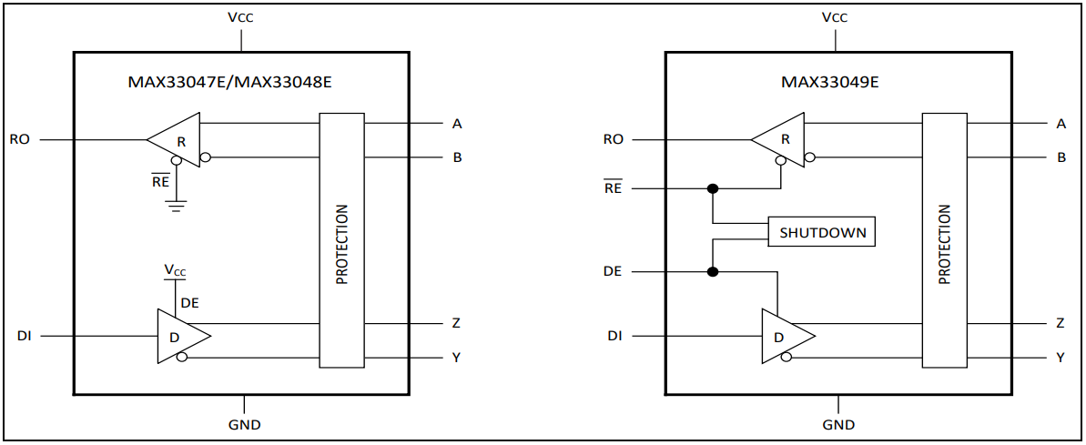
The MAX33047E/MAX33048E/MAX33049E are ±40kV ESD-protected full-duplex RS-485/RS-422 transceivers that operate from 3.0V to 5.5V and provide design flexibility for robust communication of up to 20Mbps.

These transceivers are optimized for robust communication in harsh industrial environments. They include integrated hot-swap protection and a true failsafe receiver, ensuring a logic-high output on the receiver when input signals are either shorted or open. The driver outputs/receiver inputs are protected against faults up to ±25V and can withstand ESD of up to ±15kV for air-gap discharge and ±10kV for contact discharge as per IEC 61000-4-2. The driver outputs are protected against short circuits and integrated thermal shutdown circuitry places the driver outputs into a high-impedance state during thermal overload events.

The MAX33047E/MAX33048E are available in an 8-pin SOIC package and the MAX33049E is available in a 14- pin SOIC package. These transceivers operate within a temperature range of -40°C to +125°.

APPLICATIONS

  • Programmable Logic Controller (PLC)
  • Factory Automation Equipment
  • Industrial Control Systems

Subscribe to Welllinkchips !
Your Name
* Email
Submit a request