0
LTC1343
  • LTC1343
  • LTC1343

LTC1343

PRODUCTION

Software-Selectable Multiprotocol Transceiver

Analog Devices LTC1343 Product Info

10 February 2026 10

Features

  • Software-Selectable Transceiver Supports: RS232, RS449, EIA-530, EIA-530-A, V.35, V.36, X.21
  • NET1 and NET2 Compliant
  • Software-Selectable Cable Termination Using the LTC1344
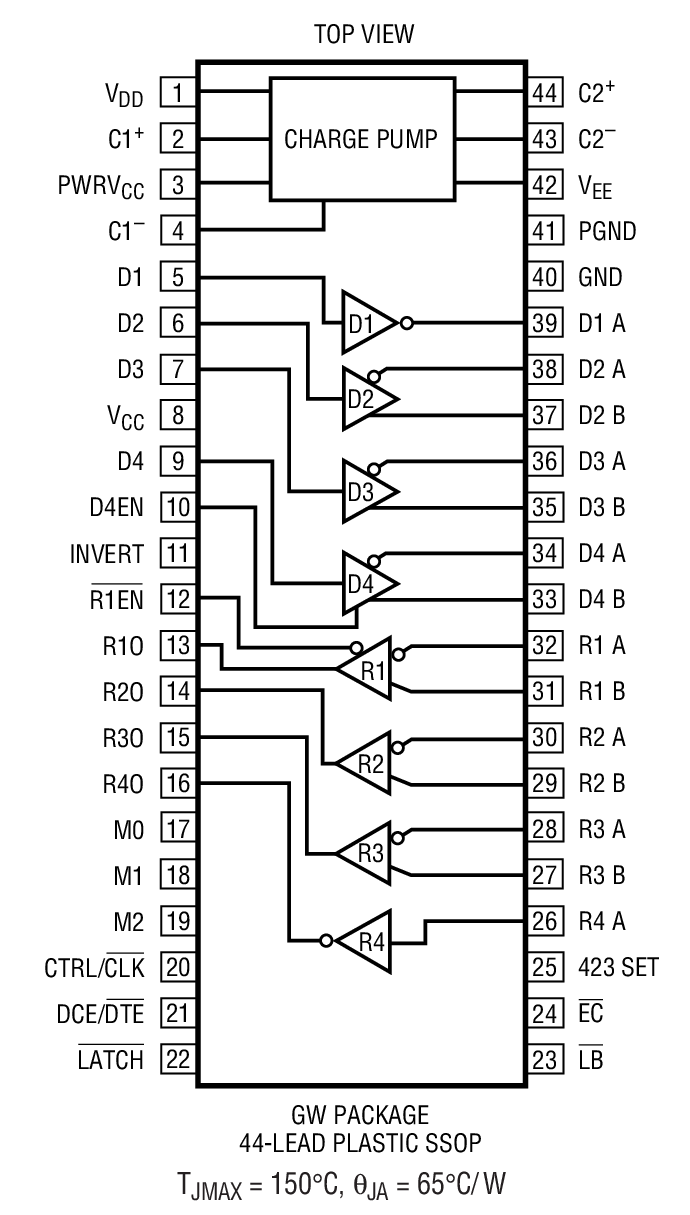
  • 4-Driver/4-Receiver Configuration Provides a Complete 2-Chip DTE or DCE Port
  • Operates from Single 5V Supply
  • Internal Echoed Clock and Loop-Back Logic

Part details & applications

The LTC1343 is a 4-driver/4-receiver multiprotocol transceiver that operates from a single 5V supply. Two LTC1343s form the core of a complete software-selectable DTE or DCE interface port that supports the RS232, RS449, EIA-530,EIA-530-A, V.35, V.36 or X.21 protocols. Cable termination may be implemented using the LTC1344 software-selectable cable termination chip or by using existing discrete designs.

The LTC1343 runs from a single 5V supply using an internal charge pump that requires only five space saving surface mount capacitors. The mode pins are latched internally to allow sharing of the select lines between multiple interface ports.

Software-selectable echoed clock and loop-back modes help eliminate the need for external glue logic between the serial controller and line transceiver. The part features a flow-through architecture to simplify EMI shielding and is available in the 44-lead SSOP surface mount package.

Applications

  • Data Networking
  • CSU and DSU
  • Data Routers

Subscribe to Welllinkchips !
Your Name
* Email
Submit a request