0
LTC3618
  • LTC3618
  • LTC3618
  • LTC3618
  • LTC3618

LTC3618

RECOMMENDED FOR NEW DESIGNS

Dual 4MHz, ±3A Synchronous Buck Converter for DDR Termination

Analog Devices LTC3618 Product Info

10 February 2026 12

Features

  • DDR Power Supply, Termination and Reference
  • High Efficiency: Up to 94%
  • Dual Outputs with ±3A Output Current Capability
  • 2.25V to 5.5V Input Voltage Range
  • ±1% Output Voltage Accuracy
  • VTT Output Voltage Down to 0.5V
  • Shutdown Current ≤1μA
  • VTTR = VDDQIN/2, VFB2 = VTTR
  • Adjustable Switching Frequency Up to 4MHz
  • Internal or External Compensation
  • Selectable 0°/90°/180° Phase Shift Between Channels
  • Internal or External Soft-Start for VDDQ, Internal Soft-Start for VTT
  • Power Good Status Outputs
  • Low Profile 4mm × 4mm QFN-24 and TSSOP-24 Packages
  • AEC-Q100 Qualified for Automotive Applications

Part details & applications

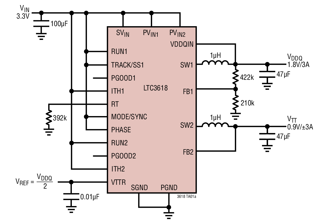
The LTC3618 is a dual synchronous step-down regulator using a current mode, constant-frequency architecture. It provides a complete DDR solution with an input voltage range from 2.25V to 5.5V.

The output of the first step-down regulator offers a high accuracy VDDQ supply. A buffered reference generates VTTR at 50% of VDDQIN and drives loads up to ±10mA. The second regulator generates the DDR termination voltage (VTT) equal to VTTR. Both regulators are capable of delivering ±3A of load current at 1MHz switching frequency.

The operating frequency is externally programmable up to 4MHz, allowing the use of small surface mount inductors. 0°, 90°, or 180° of phase shift between the two channels can be selected to minimize input current ripple. For switching noise-sensitive applications, the LTC3618 can be synchronized to an external clock up to 4MHz.

The LTC3618 is offered in leadless 24-pin 4mm × 4mm QFN and thermally enhanced 24-pin TSSOP packages.

APPLICATIONS

  • DDR Memory
  • Supports DDR, DDR2, and DDR3 Standards
  • Tracking Supplies

Subscribe to Welllinkchips !
Your Name
* Email
Submit a request