0
LT3045-1
  • LT3045-1
  • LT3045-1
  • LT3045-1
  • LT3045-1

LT3045-1

RECOMMENDED FOR NEW DESIGNS

20V, 500mA, Ultralow Noise, Ultrahigh PSRR Linear Regulator with VIOC Control

Analog Devices LT3045-1 Product Info

10 February 2026 7

Features

  • Ultralow RMS Noise: 0.8μVRMS (10Hz to 100kHz)
  • Ultralow Spot Noise: 2nV/√Hz at 10kHz
  • Ultrahigh PSRR: 76dB at 1MHz
  • Output Current: 500mA
  • Wide Input Voltage Range: 1.8V to 20V
  • Single Capacitor Improves Noise and PSRR
  • 100μA SET Pin Current: ±1% Initial Accuracy
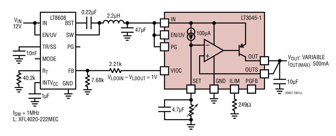
  • VIOC Pin Controls Upstream Regulator to Minimize Power Dissipation
  • Single Resistor Programs Output Voltage
  • Programmable Current Limit
  • Low Dropout Voltage: 260mV
  • Output Voltage Range: 0V to 15V
  • Programmable Power Good
  • Fast Start-Up Capability
  • Precision Enable/UVLO
  • Parallelable for Lower Noise and Higher Current
  • Internal Current Limit with Foldback
  • Minimum Output Capacitor: 10μF Ceramic
  • Reverse Battery and Reverse Current Protection
  • 12-Lead MSOP and 3mm × 3mm DFN Packages

Part details & applications

The LT3045-1 is a high performance low dropout linear regulator featuring LTC’s ultralow noise and ultrahigh PSRR architecture for powering noise sensitive applications. Designed as a precision current reference followed by a high performance voltage buffer, the LT3045-1 can be easily paralleled to further reduce noise, increase output current and spread heat on the PCB. In addition to the LT3045 feature set, the LT3045-1 incorporates a VIOC tracking function to control an upstream switching converter to maintain a constant voltage across the LT3045-1 and hence minimize power dissipation.

The device supplies 500mA at a typical 260mV dropout voltage. Operating quiescent current is nominally 2.3mA and drops to <<1μA in shutdown. The LT3045-1’s wide output voltage range (0V to 15V) while maintaining unity-gain operation provides virtually constant output noise, PSRR, bandwidth and load regulation, independent of the programmed output voltage. Additionally, the regulator features programmable current limit, fast start-up capability and programmable power good to indicate output voltage regulation.

The LT3045-1 is stable with a minimum 10μF ceramic output capacitor. Built-in protection includes reverse battery protection, reverse current protection, internal current limit with foldback and thermal limit with hysteresis. The LT3045-1 is available in thermally enhanced 12-Lead MSOP and 3mm × 3mm DFN packages.