0
HMC652LP2E
  • HMC652LP2E

HMC652LP2E

PRODUCTION

Fixed Passive SMT Attenuator, DC - 25 GHz

Analog Devices HMC652LP2E Product Info

10 February 2026 7

Features

  • 4 Attenuator Products:
  • 2, 3, 4 & 6 dB Fixed Attenuation Levels
  • Wide Bandwidth: DC - 25 GHz
  • Excellent Attenuation Accuracy
  • Power Handling: +25 dBm
  • 6 Lead 2×2mm SMT Package: 4mm2

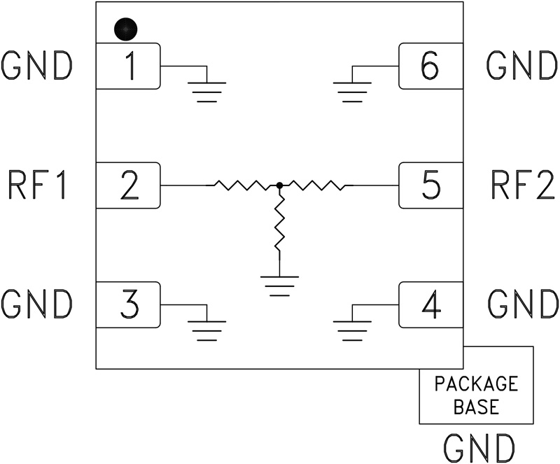
Part details & applications

The HMC652LP2E / 653LP2E / 654LP2E / 655LP2E are a line of wideband fixed value SMT 50 Ohm matched attenuators which offer attenuation levels of 2, 3, 4 and 6 dB respectively. These passive attenuators are ideal for military, test equipment, and other wideband applications where extremely flat attenuation, and excellent VSWR vs. frequency are required.

These wideband attenuators handle up to +25 dBm of input power, and are compatible with high volume surface mount manufacturing techniques.

APPLICATIONS

  • Fiber Optics
  • Microwave Radio
  • Military & Space
  • Test & Measurement
  • Scientific Instruments
  • RF/Microwave Circuit Prototyping

Subscribe to Welllinkchips !
Your Name
* Email
Submit a request