0
LT1381
  • LT1381
  • LT1381
  • LT1381

LT1381

PRODUCTION

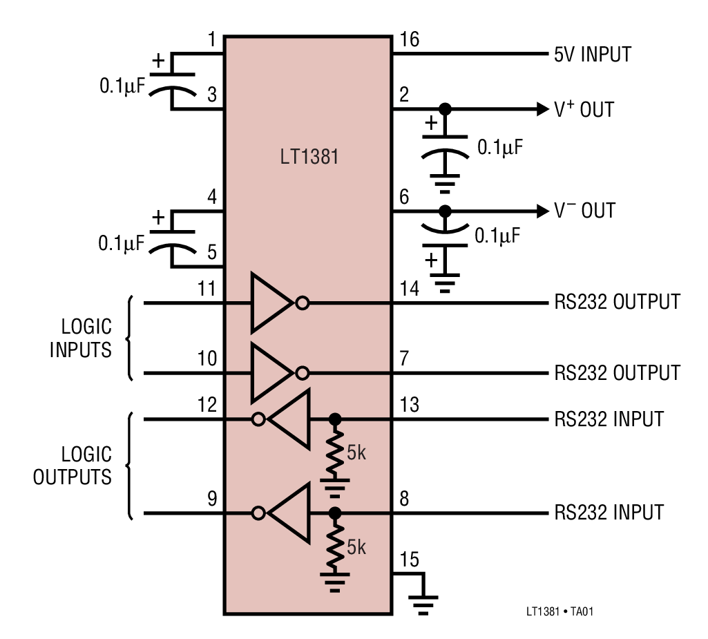
Low Power 5V RS232 Dual Driver/Receiver with 0.1µF Capacitors

Analog Devices LT1381 Product Info

10 February 2026 9

Features

  • ESD Protection over ±10kV
  • Low Cost
  • Uses Small Capacitors: 0.1µF
  • CMOS Comparable Low Power: 40mW
  • Operates from a Single 5V Supply
  • 120kBaud Operation for RL = 3k, CL = 2500pF
  • 250kBaud Operation for RL = 3k, CL = 1000pF
  • Rugged Bipolar Design
  • Outputs Assume a High Impedance State When Powered Down
  • Absolutely No Latchup
  • Available in Narrow SO Package

Part details & applications

The LT1381 is a dual RS232 driver/receiver pair with integral charge pump to generate RS232 voltage levels from a single 5V supply. The circuit features rugged bipolar design to provide operating fault tolerance and ESD protection unmatched by competing CMOS designs. Using only 0.1µF external capacitors, the circuit consumes only 40mW of power and can operate to 120kbaud even while driving heavy capacitive loads. New ESD structures on the chip allow the LT1381 to survive multiple ±10kV strikes, eliminating the need for costly TransZorbs® on the RS232 line pins. Driver outputs are protected from overload and can be shorted to ground or up to ±25V without damage. During power-off conditions, driver and receiver outputs are in a high impedance state, allowing line sharing.

Applications

  • Portable Computers
  • Battery-Powered Systems
  • Power Supply Generator
  • Terminals
  • Modems

Subscribe to Welllinkchips !
Your Name
* Email
Submit a request