0
AD7628
  • AD7628

AD7628

PRODUCTION

CMOS Dual 8-Bit Buffered Multiplying DAC

Analog Devices AD7628 Product Info

10 February 2026 8

Features

  • On-Chip Latches for both DACs
  • +12 V to +15 V Operation
  • DACs matched to 1%
  • Four Quadrant Multiplication
  • TTL/CMOS Compatible from +12 V to +15 V
  • Latch Free (Protection Schottkys not Required)

Part details & applications

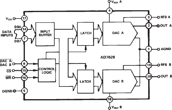
The AD7628 is a monolithic dual 8-bit digital/analog converter featuring excellent DAC-to-DAC matching. It is available in small 0.3" wide 20-pin DIPs and in 20-terminal surface mount packages.

Separate on-chip latches are provided for each DAC to allow easy microprocessor interface.

Data is transferred into either of the two DAC data latches via a common 8-bit TTL/CMOS compatible input port. Control input DAC A/DAC B determines which DAC is to be loaded. The AD7628's load cycle is similar to the write cycle of a random access memory, and the device is bus compatible with most 8-bit microprocessors, including 6502, 6809, 8085, Z80.

The device operates from a +12 V to +15 V power supply and is TTL-compatible over this range. Power dissipation is a low 20 mW.

Both DACs offer excellent four quadrant multiplication characteristics with a separate reference input and feedback resistor for each DAC.

APPLICATIONS

  • Disk Drives
  • Programmable Filters
  • X-Y Graphics
  • Gain/Attenuation

Subscribe to Welllinkchips !
Your Name
* Email
Submit a request