0
HMC954
  • HMC954

HMC954

RECOMMENDED FOR NEW DESIGNS

32 Gbps, 2:1 Mux with Programmable Output Voltage

Analog Devices HMC954 Product Info

10 February 2026 7

Features

  • Supports Data Rates up to 32 Gbps
  • 479 mW Power Consumption
  • −3.3 V or +3.3 V Operation is Available
  • Supports Single-Ended and Differential Operation
  • 24 Lead Ceramic 4 × 4 mm SMT Package: 16 mm2

Part details & applications

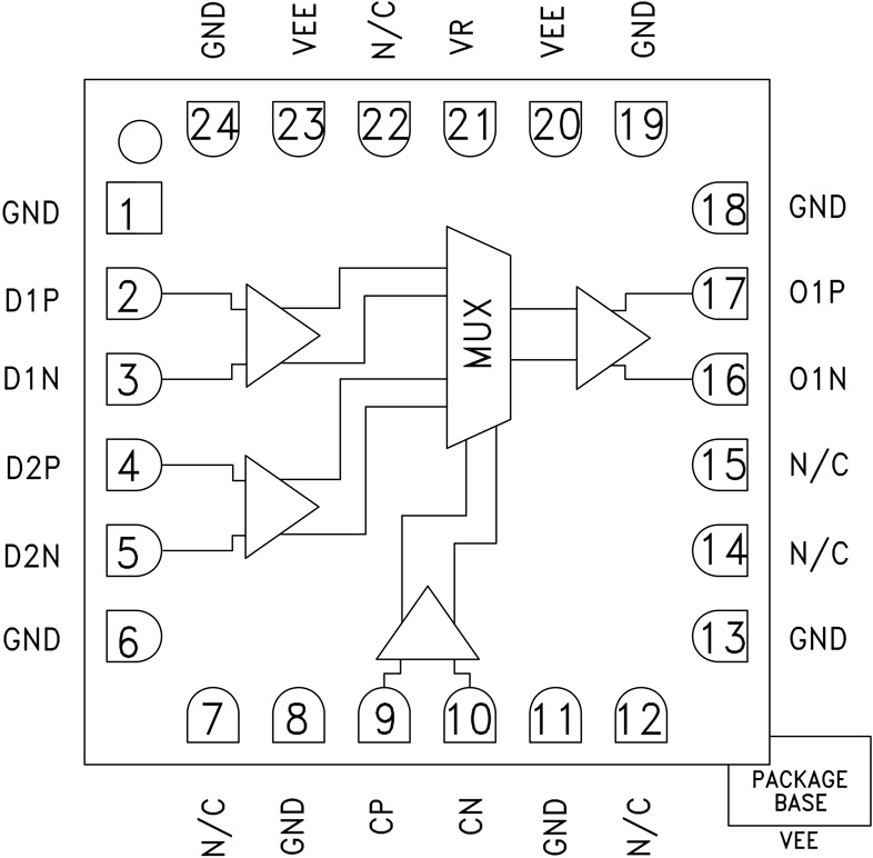
The HMC954LC4B is a 2 to 1 Multiplexer designed for 32 Gbps data serialization. The mux latches the two differential inputs on a rising edge of the input clock. The device uses both rising and falling edges of the half-rate clock to serialize the data. The HMC954LC4B also features an output level control pin, VR, which allows for loss compensation or for signal-level optimization.

All differential inputs to the HMC954LC4B are CML and terminated on-chip with 50 Ω to the positive supply, GND, and may be AC or DC coupled. The differential CML outputs are source terminated to 50 Ω and may also be AC or DC coupled. Outputs can be connected directly to a 50 Ω ground-terminated system or drive devices with CML logic input. The HMC954LC4B operates from a single −3.3 V supply and is available in a ceramic ROHS-compliant 4 × 4 mm SMT package.

APPLICATIONS

  • SONET OC-192
  • Broadband Test & Measurement Equipment
  • FPGA Interfacing Circuitry
  • 16 G and 32 G Fiber Channel
  • 100 Gbit Ethernet

Subscribe to Welllinkchips !
Your Name
* Email
Submit a request