0
HMC914
  • HMC914

HMC914

LAST TIME BUY

12.5 Gbps Limiting Amplifier SMT, with Loss of Signal Feature

Analog Devices HMC914 Product Info

10 February 2026 8

Features

  • Supports Data Rates up to 12.5 Gbps
  • Differential Small Signal Gain: 32 dB
  • Programmable Loss-of-Signal Detection (LOS)
  • Adjustable Differential Saturated O/P Voltage
    Swing up to 750 mV
  • Automatic Output Disable Mode
  • Integrated DC Offset Correction
  • Received Signal Strength Indicator (RSSI) Output
  • 24 Lead 4×4mm SMT Package: 16mm2

Part details & applications

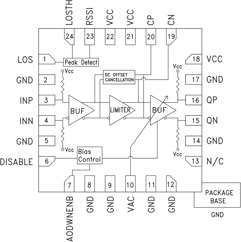
HMC914LP4E is a limiting amplifier designed to support data transmission rates up to 12.5 Gbps. The amplifier can operate over a wide range of input voltage levels and provides constant-level differential output swing. HMC914LP4E features a loss of signal (LOS) indicator output where the input signal amplitude threshold level can be adjusted using the LOSTH pin. HMC914LP4E also features an output level control pin, VAC, which allows for loss compensation or for output signal level optimization. Differential output signal swing can be adjusted up to 750 mVp-p. An integrated DC offset compensation is also provided on chip. The HMC914LP4E provides an analog RSSI output voltage which is proportional to input signal amplitude.

All single-ended input signals are terminated with 50 ohms to +3.3V on-chip, and may be either AC or DC coupled. The outputs of the HMC914LP4E may be operated either differentially or single-ended. The HMC914LP4E operates from a single +3.3V DC supply and is available in a plastic RoHS compliant 4x4 mm SMT package.

APPLICATIONS

  • SONET/SDH-Based Transmission Systems
  • OC-192 Fiber Optic Modules
  • 10 Gigabit Ethernet
  • 8x and 10x Fiber Channel
  • Wideband RF Gain Block

Subscribe to Welllinkchips !
Your Name
* Email
Submit a request