0
HMC940
  • HMC940

HMC940

LAST TIME BUY

13 Gbps 1:4 Fanout Buffer w/Programmable Output Voltage

Analog Devices HMC940 Product Info

10 February 2026 7

Features

  • Inputs Terminated Internally in 50 Ohms
  • Differential Inputs are DC Coupled
  • Propagation Delay: 101 ps
  • Fast Rise and Fall Times: 26/25 ps
  • Programmable Differential
    Output Voltage Swing: 600 - 1400 mV
  • Power Dissipation: 440 mW
  • 24 Lead 4×4mm SMT Package: 16mm2

Part details & applications

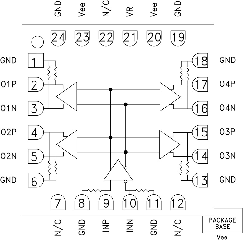
The HMC940LC4B is a 1:4 Fanout Buffer designed to support data transmission rates up to 13 Gbps, and clock frequencies as high as 13 GHz. All differential inputs and outputs are DC coupled and terminated on chip with 50 Ohm resistors to ground. The outputs may be used in either single-ended or differential modes, and should be AC or DC coupled into 50 Ohm resistors connected to ground.

The HMC940LC4B also features an output level control pin, VR which allows for loss compensation or for signal level optimization. The HMC940LC4B operates from a single -3.3V DC supply and is available in a ceramic RoHS compliant 4×4 mm SMT package.

APPLICATIONS

  • RF ATE Applications
  • Broadband Test & Measurement
  • Serial Data Transmission up to 13 Gbps
  • Clock Buffering up to 13 GHz

Subscribe to Welllinkchips !
Your Name
* Email
Submit a request