0
HMC910
  • HMC910

HMC910

LAST TIME BUY

Broadband Analog Time Delay SMT, DC - 24 GHz

Analog Devices HMC910 Product Info

10 February 2026 8

Features

  • Very Wide Bandwidth: DC - 24 GHz
  • Continuous Adjustable
    Delay Range: 70 ps
  • Single-Ended or Differential Operation
  • Adjustable Differential Output Voltage Swing: 170 - 760 mVp-p @ 24 GHz
  • Delay Control Modulation
    Bandwidth: 10 MHz
  • Single Supply: +3.3V 
  • 24 Lead 4x4mm SMT Package: 16mm²

Part details & applications

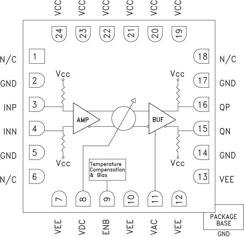
The HMC910LC4B is a broadband time delay with 0 to 70 ps continuously adjustable delay range. The delay control is linearly monotonic with respect to the control voltage, VDC and the control input has a modulation bandwidth of 600MHz.The device provides a differential output voltage with constant amplitude for single-ended or differential input voltages above the input sensitivity level, while the output voltage swing may be adjusted using the VAC control pin.

The HMC910LC4B features internal temperature compensation and bias circuitry to minimize delay variations with temperature. The device also features an enable pin, ENB. All RF input and outputs of the HMC910LC4B are internally terminated with 50 Ohms to Vcc, and may either be AC or DC coupled. Output pins can be connected directly to a 50 Ohm to Vcc terminated system, while DC blocking capacitors must be used if the terminated system input is 50 Ohms to a DC voltage other than Vcc.

APPLICATIONS

  • Synchronization of Clock & Data
  • Transponder Design
  • Serial Data Transmission up to 32 Gbps
  • Broadband Test & Measurement
  • RF ATE Applications

Subscribe to Welllinkchips !
Your Name
* Email
Submit a request