0
HMC857
  • HMC857

HMC857

RECOMMENDED FOR NEW DESIGNS

14 Gbps 2 × 2 Crosspoint Switch with Programmable Output Voltage

Analog Devices HMC857 Product Info

10 February 2026 7

Features

  • Supports Data Rates up to 14 Gbps
  • Differential & Single-Ended Inputs/Outputs
  • Low Power Consumption: 300 mW typ.
  • Fast Rise and Fall Times: 21/21 ps
  • Propagation Delay: 117 ps
  • Programmable Differential Output Voltage Swing: 475 - 1200 mVp-p
  • Single Supply: -3.3V
  • 32 Lead 5x5mm SMT Package: 25mm2

Part details & applications

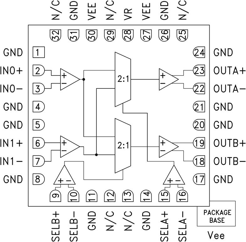
The HMC857LC5 is a 2×2 Crosspoint Switch designed to support data transmission rates of up to 14 Gbps and selector port operation up to 14 GHz. The selector routes the differential inputs to either one or both of the desired outputs upon assertion of the appropriately selected port. The HMC857LC5 also features an output level control pin, VR, which allows for loss compensation or for signal level optimization.

All single-ended input signals to the HMC857LC5 are terminated with 50 Ohms to ground on-chip, and may be either AC or DC coupled. The outputs of the HMC857LC5 may be operated either differentially or single ended. Outputs can be connected directly to a 50 Ω terminated system, while DC blocking capacitors may be used if the terminating system is 50 Ohms to a non-ground DC voltage. The HMC857LC5 operates from a single -3.3V DC supply and is available in a ceramic RoHS compliant 5 × 5 mm SMT package.

APPLICATIONS

  • SONET OC-192 and 10 GbE
  • 16G Fiber Channel
  • Network & Storage
  • Dual 2:1 Selector
  • 1:2 Fanout with Input Mux

Subscribe to Welllinkchips !
Your Name
* Email
Submit a request