0
AD9911
  • AD9911
  • AD9911

AD9911

RECOMMENDED FOR NEW DESIGNS

500 MSPS Direct Digital Synthesizer with 10-Bit DAC

Analog Devices AD9911 Product Info

10 February 2026 6

Features

  • Patented SpurKiller technology
  • Multitone generation
  • Test-tone modulation
  • Up to 800 Mbps data throughput
  • Matched latencies for frequency/phase/amplitude changes
  • Linear frequency/phase/amplitude sweeping capability
  • Up to 16 levels of FSK, PSK, ASK
  • Programmable DAC full-scale current
  • 32-bit frequency tuning resolution
  • 14-bit phase offset resolution
  • 10-bit output amplitude-scaling resolution
  • Software-/hardware-controlled power-down
  • Multiple device synchronization
  • Selectable 4× to 20× REF_CLK multiplier (PLL)
  • Selectable REF_CLK crystal oscillator
  • 56-lead LFCSP

Part details & applications

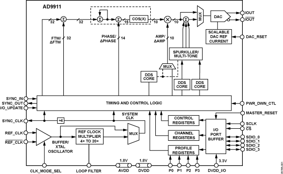
The AD9911 is a complete direct digital synthesizer (DDS). This device includes a high speed DAC with excellent wideband and narrowband spurious-free dynamic range (SFDR) as well as three auxiliary DDS cores without assigned digital-to-analog converters (DACs). These auxiliary channels are used for spur reduction, multitone generation, or test-tone modulation.

The AD9911 is the first DDS to incorporate SpurKiller technology and multitone generation capability. Multitone mode enables the generation up to four concurrent carriers; frequency, phase and amplitude can be independently programmed. Multitone generation can be used for system tests, such as inter-modulation distortion and receiver blocker sensitivity. SpurKilling enables customers to improve SFDR performance by reducing the magnitude of harmonic components and/or the aliases of those harmonic components.

Test-tone modulation efficiently enables sine wave modulation of amplitude on the output signal using one of the auxiliary DDS cores.

The AD9911 can perform modulation of frequency, phase, or amplitude (FSK, PSK, ASK). Modulation is implemented by storing profiles in the register bank and applying data to the profile pins. In addition, the AD9911 supports linear sweep of frequency, phase, or amplitude for applications such as radar and instrumentation.

The DDS acts as a high resolution frequency divider with the REF_CLK as the input and the DAC providing the output. The REF_CLK input can be driven directly or used in combination with an integrated REF_CLK multiplier (PLL). The REF_CLK input also features an oscillator circuit to support an external crystal as the REF_CLK source. The crystal can be used in combination with the REF_CLK multiplier. The AD9911 I/O port offers multiple configurations to provide significant flexibility. The I/O port offers an SPI-compatible mode of operation that is virtually identical to the SPI operatio

Subscribe to Welllinkchips !
Your Name
* Email
Submit a request