0
HMC855
  • HMC855

HMC855

RECOMMENDED FOR NEW DESIGNS

28 Gbps 1:4 Demux SMT with Programmable Output Voltage

Analog Devices HMC855 Product Info

10 February 2026 6

Features

  • Differential & Singe-Ended Operation
  • Half Rate Clock Input
  • Quarter Rate Reference Clock Output
  • Fast Rise and Fall Times: 22 ps
  • Low Power Consumption: 644 mW typ.
  • Programmable Differential Output Voltage Swing: 450 - 1144 mV
  • Single Supply: -3.3V
  • 32 Lead 5x5mm SMT Package: 25mm2

Part details & applications

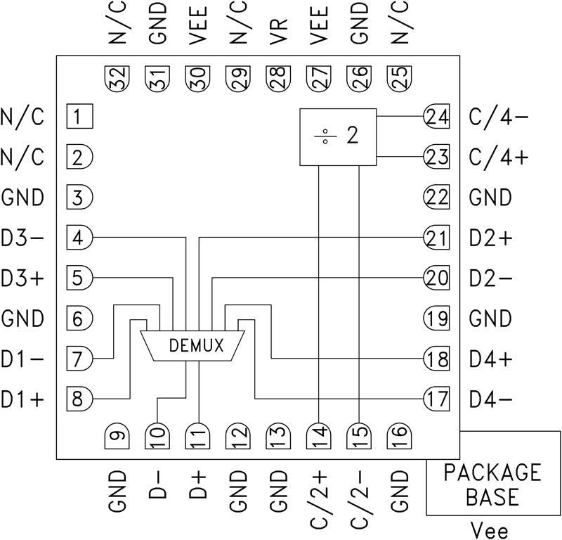
The HMC855LC5 is a 1:4 demultiplexer designed for data deserialization up to 28 Gbps. The device uses both rising and falling edges of the half-rate clock to sample the input data in sequence, D0-D3 and latches the data onto the differential outputs. A quarter-rate clock output generated on chip can be used to clock the data into other devices. The demux is DC coupled supporting broadband operation.

All clock and data inputs to the HMC855LC5 are CML and terminated on-chip with 50 Ohms to the positive supply, GND, and may be DC or AC coupled. The differential outputs are source terminated to 50 Ohms and may also be AC or DC coupled. Outputs can be connected directly to a 50 Ohm ground terminated system, or drive devices with CML logic input. The HMC855LC5 also features an output level control pin, VR, which allows for loss compensation or signal level optimization. The HMC855LC5 operates from a single -3.3V supply and is available in RoHS compliant 5x5 mm SMT package.

APPLICATIONS

  • SONET OC-192
  • Broadband Test & Measurement
  • Serial Data Transmission up to 28 Gbps
  • FPGA Interfacing

Subscribe to Welllinkchips !
Your Name
* Email
Submit a request