0
HMC802A
  • HMC802A

HMC802A

RECOMMENDED FOR NEW DESIGNS

20 dB GaAs MMIC 1-Bit Digital Positive Control Attenuator SMT, DC - 10 GHz

Analog Devices HMC802A Product Info

10 February 2026 5

Features

  • ± 0.6 dB typical step error
  • Low insertion loss: 3 dB
  • High IP3: +55 dBm
  • Single control line
  • TTL/CMOS compatible control
  • Single +5V supply
  • 16 Lead 3x3mm SMT package: 9mm2

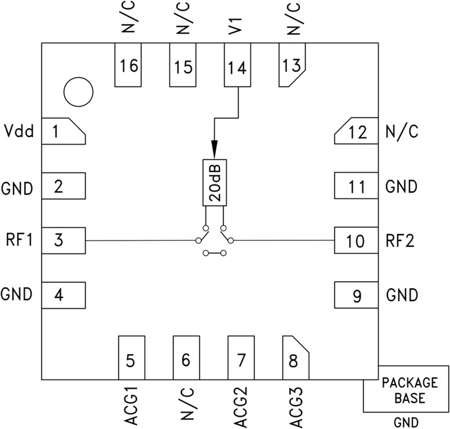
Part details & applications

The HMC802ALP3E is a broadband bidirectional 1-bit GaAs IC digital attenuator in a low cost leadless sur - face mount package. This single positive control line digital attenuator utilizes off chip AC ground capac - itors for near DC operation, making it suitable for a wide variety of RF and IF applications. Covering DC to 10 GHz, the insertion loss is less than 3 dB typical and attenuation accuracy is excellent at ±0.6 dB typ - ical. The attenuator also features a high IIP3 of +55 dBm. One TTL/CMOS control input is used to select the attenuation state and a single Vdd bias of +5V is required.

Applications

  • Test equipment and sensors
  • ISM, MMDS, WLAN, WiMAX, WiBro
  • Microwave radio & VSAT
  • Cellular infrastructure

Subscribe to Welllinkchips !
Your Name
* Email
Submit a request