0
HMC7447
  • HMC7447

HMC7447

RECOMMENDED FOR NEW DESIGNS

E-Band Detector, 71 - 86 GHz

Analog Devices HMC7447 Product Info

10 February 2026 7

Features

  • Frequency: 71 - 86 GHz
  • Input Power Range:
    -0.5 to +23.5 dBm
  • Dynamic Range: 24 dB
  • Insertion Loss: 0.45 dB
  • I/Os Matched to 50 Ohms
  • Die Size: 0.87 x 1.22 x 0.1 mm

Part details & applications

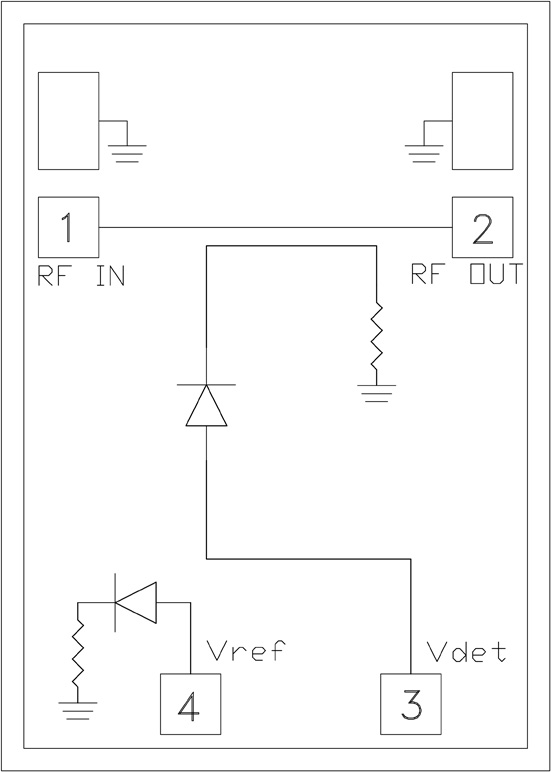
The HMC7447 is a high performance E-Band MMIC power detector designed to operate over the 71 to 86 GHz frequency range. The power detector provides a linear output voltage over a -0.5 to +23.5 dBm input power range with low insertion loss of 0.45 dB and typical input return loss of only 19.5 dB. Ideal for monitoring transmitter operation or enabling closed loop transmitter output power, the detector exhibits excellent sensitivity and at frequency response of ±0.2 dB over the 71 to 76 GHz band and the 81 to 86 GHz band. The HMC7447 power detector also provides excellent repeatability and flat performance over varying temperature and output load variations. It may be interfaced to an op-amp circuit to achieve a slope of 20 mV/dB at the minimum detector input power level. All data is taken with the chip in a 50 Ohm test fixture connected via a 0.025 mm (1mil) diameter double wire bonds of 0.2 mm (8 mils) maximum length.

Applications

The HMC7447 monitors Tx Output Power for:

  • E-Band Communications Systems
  • Test Equipment & Sensors 
  • General Purpose RF Power Detection

Subscribe to Welllinkchips !
Your Name
* Email
Submit a request