0
HMC728
  • HMC728

HMC728

RECOMMENDED FOR NEW DESIGNS

13 Gbps, 2:1 Selector

Analog Devices HMC728 Product Info

10 February 2026 7

Features

  • Supports High Data Rates: up to 13 Gbps
  • Single-Ended Outputs
  • Fast Rise & Fall Times: 17/15 ps
  • Low Power Consumption: 250 mW typ.
  • Propagation Delay: 125 ps
  • Single Supply: -3.3V
  • 16 Lead Ceramic 3x3mm SMT Package: 9mm2

Part details & applications

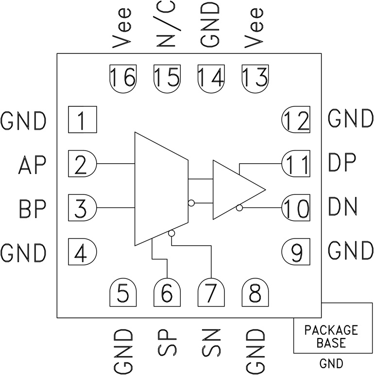
The HMC728 is a 2:1 Selector designed to support data transmission rates of up to 13 Gbps, and selector port operation of up to 13 GHz. The selector routes one of the two single-ended inputs to the differential output upon assertion of the proper select port. All single-ended input signals to the HMC728 are terminated with 50 ohms to ground on-chip, and may be either AC or DC coupled.

The outputs of the HMC728 may be operated either differentially or single-ended. Outputs can be connected directly to a 50 ohm terminated system, while DC blocking capacitors may be used if the terminating system is 50 ohms to a non-ground DC voltage. The HMC728 operates from a single -3.3V DC supply and is available in a ceramic RoHS compliant 3x3 mm SMT package.

APPLICATIONS

  • 2:1 Multiplexer up to 13 Gbps
  • F ATE Applications
  • Broadband Test & Measurement
  • Serial Data Transmission up to 13 Gbps
  • Redundant Path Switching
  • Built-in Test

Subscribe to Welllinkchips !
Your Name
* Email
Submit a request