0
ADF4360-2
  • ADF4360-2
  • ADF4360-2

ADF4360-2

PRODUCTION

Integrated Integer-N Synthesizer and VCO - Output Frequency 1850 to 2170

Analog Devices ADF4360-2 Product Info

10 February 2026 9

Features

  • Output frequency range: 1850 MHz to 2170 MHz
  • Divide-by-2 output
  • 3.0 V to 3.6 V power supply
  • 1.8 V logic compatibility
  • Integer-N synthesizer
  • Programmable dual-modulus prescaler 8/9, 16/17, 32/33
  • Programmable output power level
  • 3-wire serial interface
  • Analog and digital lock detect
  • Hardware and software power-down mode

Part details & applications

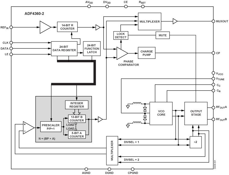
The ADF4360-2 is a fully integrated integer-N synthesizer and voltage-controlled oscillator (VCO). The ADF4360-2 is designed for a center frequency of 2000 MHz. In addition, a divide-by-2 option is available, whereby the user gets an RF output of between 925 MHz and 1085 MHz.

Control of all the on-chip registers is through a simple 3-wire interface. The device operates with a power supply ranging from 3.0 V to 3.6 V and can be powered down when not in use.

Applications

  • Wireless handsets (DECT, GSM, PCS, DCS, WCDMA)
  • Test equipment
  • Wireless LANs
  • CATV equipment

Subscribe to Welllinkchips !
Your Name
* Email
Submit a request