0
ADF4360-5
  • ADF4360-5
  • ADF4360-5

ADF4360-5

PRODUCTION

Integrated Integer-N Synthesizer and VCO - Output Frequency 1200 to 1400

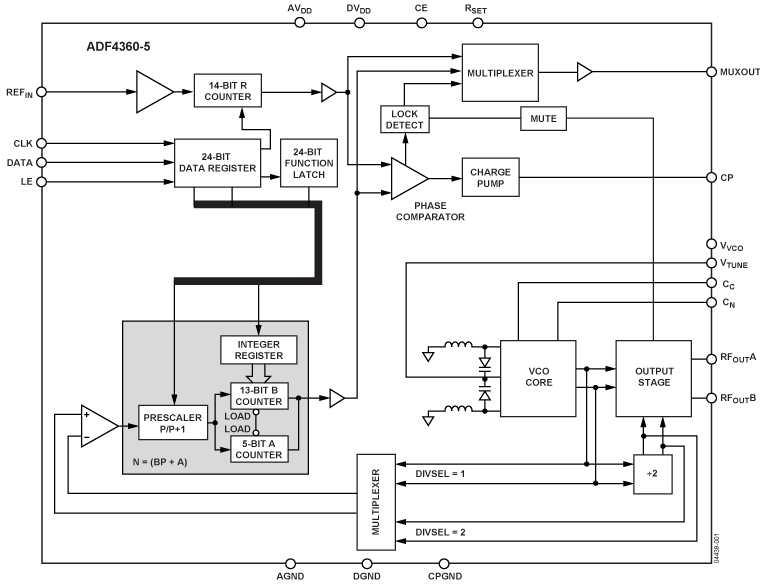
Analog Devices ADF4360-5 Product Info

10 February 2026 8

Features

  • Output frequency range: 1200 MHz to 1400 MHz
  • Divide-by-2 output
  • 3.0 V to 3.6 V power supply
  • 1.8 V logic compatibility
  • Integer-N synthesizer
  • Programmable dual-modulus prescaler 8/9, 16/17, 32/33
  • Programmable output power level
  • 3-wire serial interface
  • Analog and digital lock detect
  • Hardware and software power-down mode

Part details & applications

The ADF4360-5 is a fully integrated integer-N synthesizer and voltage controlled oscillator (VCO). The ADF4360-5 is designed for a center frequency of 1300 MHz. In addition, a divide-by-2 option is available, whereby the user gets an RF output of between 600 MHz and 700 MHz. Control of all the on-chip registers is through a simple 3-wire interface. The device operates with a power supply ranging from 3.0 V to 3.6 V and can be powered down when not in use.

Subscribe to Welllinkchips !
Your Name
* Email
Submit a request