0
HMC721LC3C
  • HMC721LC3C

HMC721LC3C

PRODUCTION

13 Gbps Fast Rise Time XOR / XNOR Gate with Programmable Output Voltage

Analog Devices HMC721LC3C Product Info

10 February 2026 9

Features

  • Inputs Terminated Internally in 50 Ohms
  • Differential & Singe-Ended Operation
  • Fast Rise and Fall Times: 19/18 ps
  • Low Power Consumption: 230 mW typ.
  • Output Voltage Swing: 600 - 1200 mV
  • Programmable Differential
  • Propagation Delay: 95 ps
  • Single Supply: -3.3V
  • 16 Lead Ceramic 3×3mm
    SMT Package: 9mm2

Part details & applications

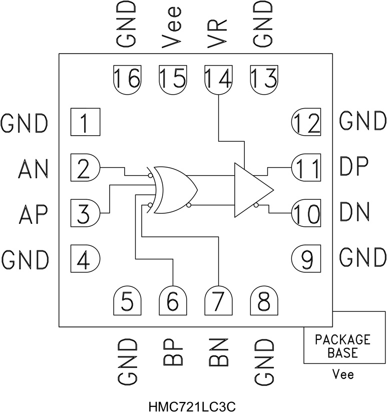
The HMC721LC3C is a XOR/XNOR gate function designed to support data transmission rates of up to 13 Gbps, and clock frequencies as high as 13 GHz. The HMC721LC3C also features an output level control pin, VR, which allows for loss compensation or for signal level optimization.

All input signals to the HMC721LC3C are terminated with 50 Ohms to ground on-chip, and may be either AC or DC coupled. The differential outputs of the HMC721LC3C may be either AC or DC coupled. Outputs can be connected directly to a 50 Ohm to ground terminated system, while DC blocking capacitors may be used if the terminating system is 50 Ohms to a non-ground DC voltage. The HMC721LC3C operates from a single -3.3V DC supply, and is available in a ceramic RoHS compliant 3×3 mm SMT package.

APPLICATIONS

  • RF ATE Applications
  • Broadband Test & Measurement
  • Serial Data Transmission up to 13 Gbps
  • Digital Logic Systems up to 13 GHz

Subscribe to Welllinkchips !
Your Name
* Email
Submit a request