0
MAX207E
  • MAX207E

MAX207E

PRODUCTION

±15kV ESD-Protected, +5V RS-232 Transceivers

Analog Devices MAX207E Product Info

10 February 2026 9

Features

  • Saves Board Space
    • Integrated High ±15kV HBM ESD Protection
    • Integrated Charge Pump Circuitry
      • Eliminates the Need for a Bipolar ±12V Supply
      • Enables Single Supply Operation From +5V Supply
    • Integrated 0.1µF Capacitors (MAX203E, MAX205E)
    • 24 pin SSOP Package Saves up to 40% Versus SO Package
  • Saves Power for Reduced Power Requirements
    • 1µA Shutdown Mode
    • 15µA Shutdown Mode for MAX213E

Part details & applications

The MAX202E-MAX213E, MAX232E, and MAX241E are a family of RS-232 and V.28 transceivers with high ±15kV ESD HBM protection and integrated charge pump circuitry for single +5V supply operation. The various combinations of features are outlined in the Selector Guide. The drivers and receivers for all ten devices meet all EIA/TIA-232E and CCITT V.28 specifications at data rates up to 120kbps when loaded.

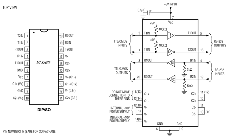
The MAX211E/MAX213E/MAX241E are available in 28-pin SO and SSOP packages. The MAX202E/MAX232E come in 16-pin TSSOP, narrow SO, wide SO, and DIP packages. The MAX203E comes in a 20-pin DIP/SO package, and needs no external charge-pump capacitors. The MAX205E comes in a 24-pin wide DIP package, and also eliminates external charge-pump capacitors.

Applications

  • Battery-Powered Equipment
  • Handheld Equipment
  • Portable Diagnostics Equipment

Subscribe to Welllinkchips !
Your Name
* Email
Submit a request