0
HMC611LP4
  • HMC611LP4

HMC611LP4

Logarithmic Detector Controller SMT, 0.001 - 10.0 GHz

Analog Devices HMC611LP4 Product Info

10 February 2026 9

Features

  • Wide Dynamic Range: Up to 63 dB
  • High Accuracy: ±1 dB
    with 54 dB Range Up to 8 GHz
  • Supply Voltage: +5V
  • Excellent Stability over Temperature
  • Buffered Temperature Sensor Output
  • Compact 4x4mm Leadless SMT Package

Part details & applications

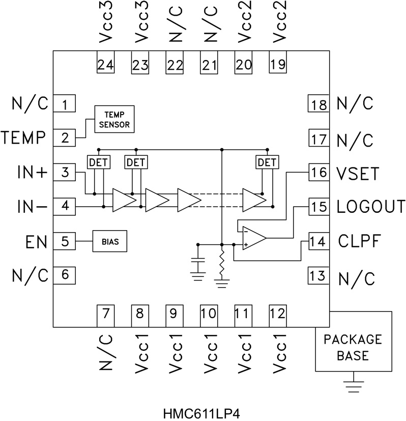
The HMC611LP4(E) Logarithmic Detector/Controller converts RF signals at its input, to a proportional DC voltage at its output. The HMC611LP4(E) employs a successive compression topology which delivers extremely high dynamic range and conversion accuracy over a wide input frequency range. As the input power is increased, successive amplifiers move into saturation one by one creating an accurate approximation of the logarithm function.

The output of a series of square law detectors is summed, converted into voltage domain and buffered to drive the LOGOUT output. For detection mode, the LOGOUT pin is shorted to the VSET input, and will provide a nominal logarithmic slope of -25mV/dB and an intercept of 18 dBm (22 dBm for ƒ ≥ 5.8 GHz). The HMC611LP4(E) can also be used in the controller mode where an external voltage is applied to the VSET pin, to create an AGC or APC feedback loop.


Applications

  • Cellular/PCS/3G
  • WiMAX, WiBro, WLAN,
    Fixed Wireless & Radar
  • Power Monitoring & Control Circuitry
  • Receiver Signal Strength Indication (RSSI)
  • Automatic Gain & Power Control

Subscribe to Welllinkchips !
Your Name
* Email
Submit a request