0
HMC596
  • HMC596

HMC596

RECOMMENDED FOR NEW DESIGNS

CMOS 4x2 Switch Matrix SMT, 0.2 - 3.0

Analog Devices HMC596 Product Info

10 February 2026 7

Features

  • High Isolation / Low Insertion Loss
  • Integrated CMOS Compatible 4 Bit Decoder
  • Single Positive Supply: Vdd= +5V
  • QFN Leadless SMT Package, 16 mm2
  • 4x4 Switch Matrix Using Two ICs

Part details & applications

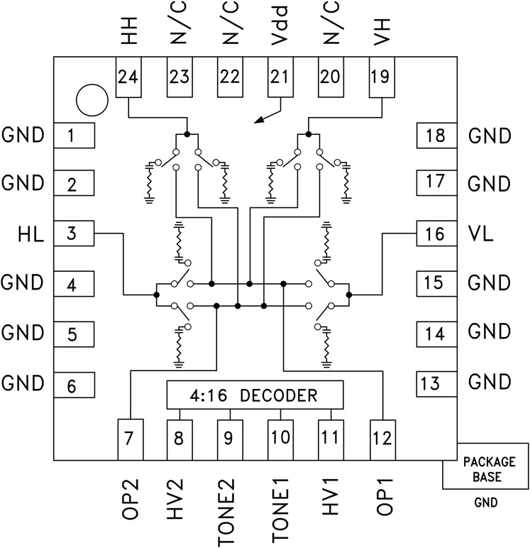
The HMC596LP4(E) is a low-cost 4x2 switch matrix in a leadless QFN 4x4 mm surface mount package for use in Satellite/DBS, LNBs and multiswitches from 200 to 3000 MHz. A positive voltage controlled 4 bit decoder is integrated on the switch. The switches may be used in either 75 ohm or 50 ohm systems.

Both switch outputs (OP1 & OP2) can independently select any of the four inputs (HH, HL, VH, VL) or simultaneously select the same inputs. Note that the switch is bi-directional and input/output functionality may be interchanged. All data presented was measured in a 50 ohm (input/output) system.

APPLICATIONS

  • DBS LNBs & Multiswitches
  • Cable Modem/CATV
  • Cellular Systems

Subscribe to Welllinkchips !
Your Name
* Email
Submit a request