0
HMC578LC3B
  • HMC578LC3B

HMC578LC3B

PRODUCTION

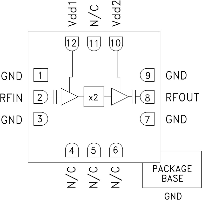
x2 Active Multiplier SMT, 24 - 33 GHz Fout

Analog Devices HMC578LC3B Product Info

10 February 2026 7

Features

  • High Output Power: +15 dBm
  • Low Input Power Drive: 0 to +6 dBm
  • Fo Isolation: >20 dBc @ Fout= 28 GHz
  • 100 kHz SSB Phase Noise: -132 dBc/Hz
  • Single Supply: +5V @ 81 mA
  • RoHS Compliant 3x3 mm SMT Package

Part details & applications

The HMC578LC3B is a x2 active broadband frequency multiplier utilizing GaAs PHEMT technology in a leadless RoHS compliant SMT package. When driven by a +3 dBm signal, the multiplier provides +15 dBm typical output power from 24 to 33 GHz. The Fo and 3Fo isolations are >20 dBc and >30 dBc respectively at 28 GHz.

The HMC578LC3B is ideal for use in LO multiplier chains for Pt to Pt & VSAT Radios yielding reduced parts count vs. traditional approaches. The low additive SSB Phase Noise of -129 dBc/Hz at 100 kHz offset helps maintain good system noise performance. The RoHS packaged HMC578LC3B eliminates the need for wire bonding, and allows the use of surface mount manufacturing techniques.

APPLICATIONS

  • Clock Generation Applications:
    • SONET OC-192 & SDH STM-64
  • Point-to-Point & VSAT Radios
  • Test Instrumentation
  • Military & Space

Subscribe to Welllinkchips !
Your Name
* Email
Submit a request