0
MAX1734
  • MAX1734

MAX1734

PRODUCTION

Low-Voltage, Step-Down DC-DC Converters in SOT23 High-Efficiency DC-DC Solution for Low-Voltage Logic Supplies

Analog Devices MAX1734 Product Info

10 February 2026 8

Features

  • 250mA Guaranteed Output Current
  • Synchronous Rectifier for Over 90% Efficiency
  • Tiny 5-Pin SOT23 Package
  • 40µA Quiescent Supply Current
  • 0.01µA Logic-Controlled Shutdown
  • Up to 1.2MHz Switching Frequency
  • Fixed 1.8V or 1.5V Outputs (MAX1734)
  • Adjustable Output Voltage (MAX1733)
  • ±1.5% Initial Accuracy
  • 2.7V to 5.5V Input Range
  • Soft-Start Limits Startup Current

Part details & applications

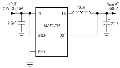
The MAX1733/MAX1734 step-down DC-DC converters deliver over 250mA to outputs as low as 1.25V. These converters use a unique proprietary current-limited control scheme that achieves over 90% efficiency. These devices maintain extremely low quiescent supply current (40µA), and their high 1.2MHz (max) operating frequency permits small, low-cost external components. This combination of features makes the MAX1733/ MAX1734 excellent high-efficiency alternatives to linear regulators in space-constrained applications.

Internal synchronous rectification greatly improves efficiency and eliminates the external Schottky diode required in conventional step-down converters. Both devices also include internal digital soft-start to limit input current upon startup and reduce input capacitor requirements.

The MAX1733 provides an adjustable output voltage (1.25V to 2.0V). The MAX1734 provides factory-preset output voltages (see Selector Guide). Both are available in space-saving 5-pin SOT23 packages.

Applications

  • Cell Phones
  • Computers: Desktop, Workstation, Server
  • Consumer Audio
  • Digital Still Cameras
  • Global Positioning Systems (GPS)
  • Palmtop Computers
  • POS Terminals
  • Wireless Data
  • Wireless Local Area Networks (WLANs)

Subscribe to Welllinkchips !
Your Name
* Email
Submit a request