0
HMC530
  • HMC530

HMC530

PRODUCTION

VCO with Fo/2 & Divide-by-4 SMT, 9.5 - 10.8 GHz

Analog Devices HMC530 Product Info

10 February 2026 7

Features

  • Triple Output:
    Fo= 9.5 - 10.8 GHz
    Fo/2= 4.75 - 5.4 GHz
    Fo/4= 2.38 - 2.7 GHz
  • Pout: +11 dBm
  • Phase Noise:
    -110 dBc/Hz @ 100 kHz Typical
  • No External Resonator Needed
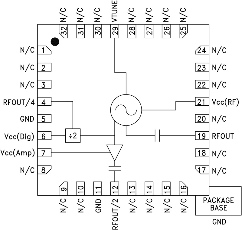
  • QFN Leadless SMT Package, 25 mm2

Part details & applications

The HMC530LP5(E) is a GaAs InGaP Heterojunction Bipolar Transistor (HBT) MMIC VCOs. The HMC530LP5(E) integrates resonators, negative resistance devices, varactor diodes and feature half frequency and divide-by-4 outputs. The VCO's phase noise performance is excellent over temperature, shock and process due to the oscillator's monolithic structure. Power output is +11 dBm typical from a +5V supply voltage. The prescaler and RF/2 functions can be disabled to conserve current if not required. The voltage controlled oscillator is packaged in a leadless QFN 5x5 mm surface mount package, and requires no external matching components.

APPLICATIONS

  • Point-to-Point Radios
  • Point-to-Multi-Point Radios
  • Test Equipment & Industrial Controls
  • SATCOM
  • Military End-Use

Subscribe to Welllinkchips !
Your Name
* Email
Submit a request